LT-F160 (1993)
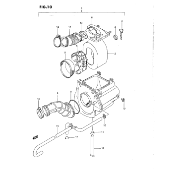
AIR CLEANER
BATTERY
CAM CHAIN
CAM SHAFT-VALVE
CARBURETOR
CARRIER
CLUTCH
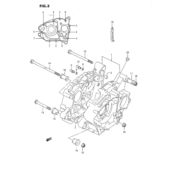
CRANKCASE
CRANKCASE COVER
CRANKSHAFT
CYLINDER
CYLINDER HEAD
ELECTRICAL
FOOTREST
FRAME
FRONT FENDER
FRONT WHEEL
FRONT WHEEL BRAKE
FUEL TANK
GEAR SHIFTING
HANDLE BAR
HANDLE SWITCH
HEADLAMP
HEADLAMP HOUSING
LABEL
MAGNETO
MUFFLER
OIL PUMP-FUEL PUMP
OPTIONAL
REAR BRAKE
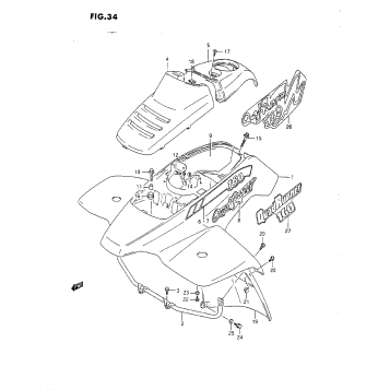
REAR FENDER
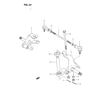
REAR SWINGING ARM
REAR WHEEL
RECOIL STARTER (OPTIONAL)
SEAT
STARTER CLUTCH
STARTING MOTOR
STEERING
SUSPENSION ARM
TAIL LAMP
TIE ROD
TRANSMISSION
WIRING HARNESS
Fuel Your Passion
Parts That Keep You Riding
Edit ride