GTX 4-TEC SC, 2006
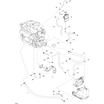
01- Cooling System
01- Crankshaft And Pistons
01- Cylinder Head
01- Engine And Air Intake Silencer
01- Engine Block
01- Exhaust System
02- Air Intake Manifold
02- Fuel System
02- Oil Separator
02- Supercharger
03- PTO Cover And Magneto
05- Propulsion
05- Pump
05- Reverse
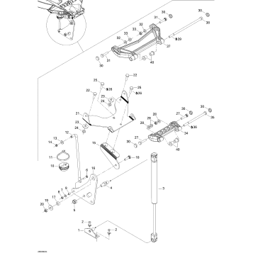
07- Off Power Assisted Steering
07- Steering System
09- Body, Front View
09- Body, Rear View
09- Decals
09- Front Storage Compartment 1
09- Front Storage Compartment 2
09- Hull
09- Seat
09- Ventilation
10- Electrical Accessories
10- Electrical Harness
10- Electrical System
10- Engine Harness
Fuel Your Passion
Parts That Keep You Riding
Edit ride