GT380 (1974)
AIR CLEANER (GT380K)
AIR CLEANER (GT380L
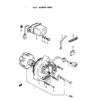
ALTERNATOR (DENSO)
ALTERNATOR (KOKUSAN)
CALIPER
CALIPER [MADE BY ASCO (GT3808)]
CARBURETOR (GT380L
CARBURETOR (MARKED : 33012)
CARBURETOR (MARKED : 33013)
CARBURETOR (MARKED : 33014)
CENTER STAND
CLUTCH
CONTACT BREAKER (DENSO)
CONTACT BREAKER (KOKUSAN)
COVER (GT380A
COVER (GT380K
CRANKCASE
CYLINDER (GT380K)
CYLINDER (GT380L
CYLINDER FITTINGS
ELECTRICAL (1)
ELECTRICAL (2)
FENDER
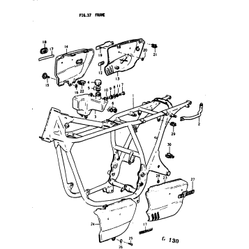
FRAME
FRONT FORK (GT380K)
FRONT FORK (GT380L)
FRONT FORK (GT380M
FRONT WHEEL
FUEL COCK
FUEL TANK
GEAR SHIFTING
HANDLE SWITCH (GT380K
HANDLE SWITCH (GT380M
HANDLEBAR
HEADLAMP (GT380K)
HEADLAMP [GT380L
HEADLAMP [GT380M(F.NO.81738-)
KICK STARTER
MASTER CYLINDER (GT380K)
MASTER CYLINDER (GT380L
MUFFLER (GT380K)
MUFFLER (GT380L
OIL PUMP
OPTIONAL
PISTON - CRANKSHAFT
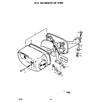
REAR COMBINATION LAMP (GT380B)
REAR COMBINATION LAMP (GT380K)
REAR COMBINATION LAMP (GT380L
REAR SWINGING ARM
REAR WHEEL
SEAT
SPEEDOMETER - TACHOMETER (GT380K)
SPEEDOMETER - TACHOMETER (GT380L
STEERING STEM
TRANSMISSION
TURN SIGNAL LAMP (GT380B)
TURN SIGNAL LAMP (GT380K
Fuel Your Passion
Parts That Keep You Riding
Edit ride