GS550E (1979)
AIR CLEANER
BATTERY
BRAKE HOSE
CALIPERS
CAM CHAIN
CAM SHAFT - VALVE
CARBURETOR (GS550B.C.EC)
CARBURETOR (GS550C.EC.N.EN)
CHAIN CASE - SHOCK ABSORBER
CLUTCH
CLUTCH RELEASE
CONTACT BREAKER (KOKUSAN)
CONTACT BREAKER (NIPPON DENSO)(GS550B)
CRANKCASE
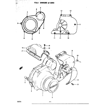
CRANKCASE LH COVER
CRANKCASE RH COVER
CRANKSHAFT
CYLINDER
CYLINDER HEAD
CYLINDER HEAD COVER
ELECTRICAL
FOOTREST (GS550B
FOOTREST (GS550N
FRAME
FRAME COVER (GS550B
FRAME COVER (GS550N
FRONT FORK
FRONT WHEEL (GS5508
FRONT WHEEL (GS560EC
FUEL COCK
FUEL TANK (GS550B
FUEL TANK (GS550N
GEAR SHIFTING
GENERATOR
HANDLEBAR - FRONT FENDER
HEADLAMP (KOITO)
HEADLAMP (STANLEY)
KICK STARTER
LH HANDLE SWITCH
MASTER CYLINDER
MUFFLER
OIL PAN
OIL PUMP
OPTIONAL
REAR BRAKE (GS550B
REAR BRAKE (GS650EC
REAR BREAK HOSE (GS550EC
REAR CALIPERS (GS550EC
REAR COMBINATION LAMP
REAR FINDER
REAR MASTER CYLINDER (GS550EC
REAR SWINGING ARM (GS550B
REAR SWINGING ARN (GS560EC
REAR WHEEL (GS550B
REAR WHEEL (GS550EC
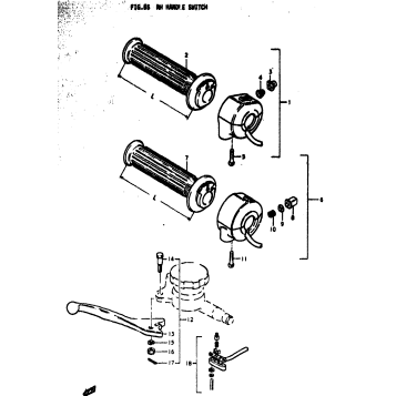
RH HANDLE SWITCH
SEAT (GS550N
SPEEDOMETER - TACHOMETER (G55508)
SPEEDOMETER - TACHOMETER (GS550N
SPEEDOMETER - TACHOMETER (GS650C
STAND
STARTER CLUTCH
STARTING MOTOR (MITSUBA ELECTRIC)
STARTING MOTOR (NIPPON DENSO)
STEERING STEM
TRANSMISSION
TURN SIGNAL LAMP
WIRING HARNESS
Fuel Your Passion
Parts That Keep You Riding
Edit ride