Suzuki GS550E (1979) FRAME Diagram
#
Description
Price
1
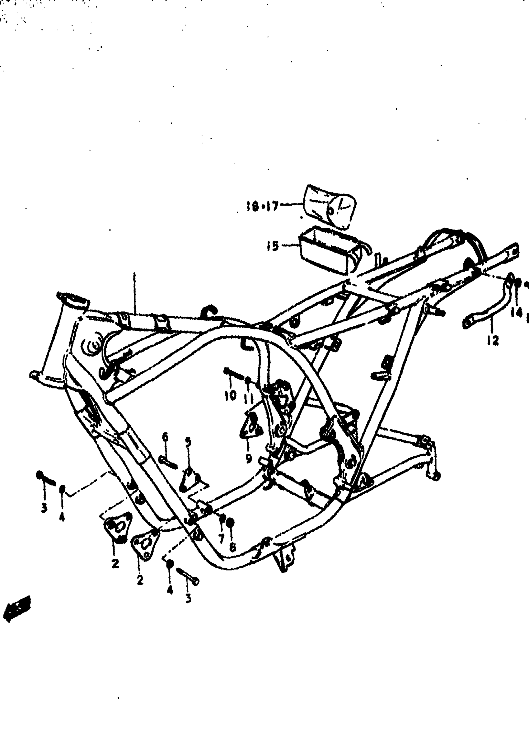
NO DESCRIPTION AVAILABLE | B,C&EC This part replaces 41100-47000-019.
41100-47030-019
Unavailable
1
NO DESCRIPTION AVAILABLE | N&EN This part replaces 41100-47001-019.
41100-47030-019
Unavailable
2
PLATE, ENGINE MOUNTING NO. 1 | B,C&EC,N&EN; FROM 41910-47000
41910-47000-019
Unavailable
5
PLATE, ENGINE MOUNTING NO.2 | B,C&EC,N&EN; FROM 41993-47000
41993-47000-019
Unavailable
9
PLATE, NO.3 (BLACK) | B,C&EC,N&EN; FROM 41990-47000 This part replaces 41990-47000-019.
41990-47001-019
Unavailable
12
GRIP FRAME HAND | B,C&EC,N&EN This part replaces 41411-37000.
41411-39001
Unavailable
15
HOLDER, TOOL | B,C&EC,N&EN
41551-47000
Unavailable
16
TOOL ASSY | B,C&EC This part replaces 09800-00164.
09800-21068
Unavailable
17
TOOL SET | N&EN This part replaces 09800-00194.
09800-06801
Unavailable
