GN400T (1981)
AIR CLEANER
CAM CHAIN
CAM SHAFT - VALVE
CARBURETOR
CHAIN CASE - SHOCK ABSORBER
CLUTCH
CRANKCASE
CRANKCASE COVER
CRANKSHAFT
CYLINDER
CYLINDER HEAD
ELECTRICAL
FOOTREST
FRAME
FRAME COVER (GN400T
FRAME COVER (GN400TX
FRONT BRAKE HOSE
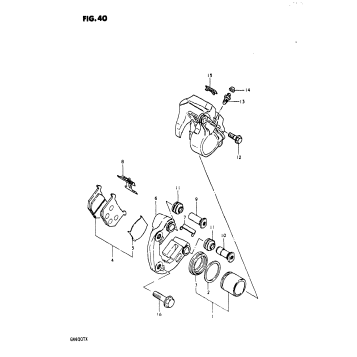
FRONT CARIPERS
FRONT FORK
FRONT WHEEL (GN400T
FRONT WHEEL (GN400XT
FUEL COCK
FUEL TANK (GN400T
FUEL TANK (GN400TX
GEAR SHIFTING
HANDLEBAR
HEADLAMP
HEADLAMP HOUSING - FRONT FENDER
KICK STARTER
LEFT HANDLE SWITCH
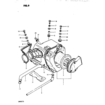
MAGNETO
MASTER CYLINDER (GN400T
MASTER CYLINDER (GN400XT
MUFFLER
OIL PUMP
OPTIONAL
REAR COMBINATION LAMP
REAR FENDER
REAR SWINGING ARM
REAR WHEEL (GN400T
REAR WHEEL (GN400XT
RIGHT HANDLE SWITCH
SEAT
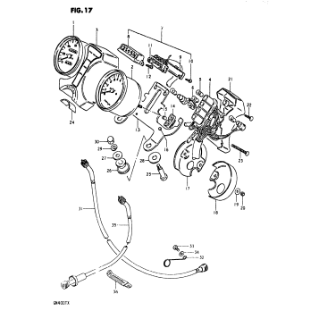
SPEEDOMETER - TACHOMETER
STAND
STEERING STEM
TRANSMISSION
TURN SIGNAL LAMP
WIRING HARNESS
Fuel Your Passion
Parts That Keep You Riding
Edit ride