690 RALLY FACTORY REPLICA 2009
Special tools (engine)
FRONT FORK, TRIPLE CLAMP
WP SHIMS FOR SETTING
SHOCK ABSORBER DISASSEMBLED
DECAL
FRONT FORK DISASSEMBLED
HANDLEBAR, CONTROLS
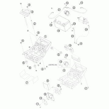
FRAME
ENGINE GUARD
SIDE / CENTER STAND
SHOCK ABSORBER
PRO LEVER LINKING
SWING ARM
EXHAUST SYSTEM
AIR FILTER
TANK, SEAT
FUEL PUMP
MASK, FENDERS
FRONT WHEEL
REAR WHEEL
WIRING HARNESS
BATTERY
FRONT BRAKE CONTROL
REAR BRAKE CONTROL
FRONT BRAKE CALIPER
REAR BRAKE CALIPER
LIGHTING SYSTEM
INSTRUMENTS / LOCK SYSTEM
ACCESSORY PACK
CONVERSION KIT
BALANCER SHAFT
CARBURETOR
VALVE DRIVE
ENGINE CASE
CLUTCH COVER
CYLINDER
CRANKSHAFT, PISTON
SECONDARY AIR SYSTEM SAS
CLUTCH
TRANSMISSION I - MAIN SHAFT
TRANSMISSION II - COUNTERSHAFT
SHIFTING MECHANISM
WATER PUMP
COOLING SYSTEM
TIMING DRIVE
CYLINDER HEAD
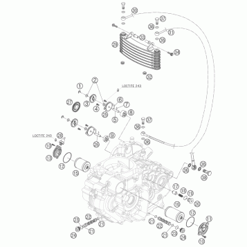
LUBRICATING SYSTEM
IGNITION SYSTEM
ELECTRIC STARTER
Fuel Your Passion
Parts That Keep You Riding
Edit ride