TU250XL1 (2011)
2ND AIR
AIR CLEANER
BATTERY
BATTERY HOLDER
CAM CHAIN
CAMSHAFT - VALVE
CHAIN CASE
CLUTCH
CRANK BALANCER
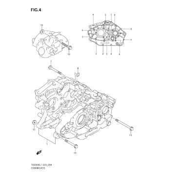
CRANKCASE
CRANKCASE COVER
CRANKSHAFT
CYLINDER
CYLINDER HEAD
ELECTRICAL
FOOTREST
FRAME
FRAME COVER
FRONT CALIPER
FRONT DAMPER
FRONT MASTER CYLINDER
FRONT WHEEL
FUEL PUMP
FUEL TANK
GASKET SET
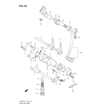
GEAR SHIFTING
HANDLE LEVER
HANDLE SWITCH
HANDLEBAR
HEADLAMP
HEADLAMP HOUSING
MAGNETO
MUFFLER
OIL PUMP
REAR BRAKE ROD
REAR COMBINATION LAMP
REAR FENDER
REAR FRAME
REAR SWINGINGARM
REAR WHEEL
SEAT
SPEEDOMETER
STAND
STARTER CLUTCH
STARTING MOTOR
STEERING STEM
THROTTLE BODY
TRANSMISSION
TURNSIGNAL LAMP
WARNING LABEL
WIRING HARNESS
Fuel Your Passion
Parts That Keep You Riding
Edit ride