TS100 (1980)
AIR CLEANER
BATTERY
CARBURETOR
CLUTCH
CRANKCASE
CRANKCASE COVER
CRANKSHAFT
CYLINDER
ELECTRICAL
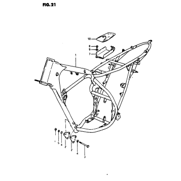
FRAME
FRAME COVER (TS100T)
FRAME COVER (TS100X)
FRONT FORK
FRONT WHEEL
FUEL COCK
FUEL TANK (TS100T)
FUEL TANK (TS100X)
GEAR SHIFTING
HANDLEBAR
HEADLAMP
HEADLAMP HOUSING - FRONT FENDER
KICK STARTER
LEFT HANDLE SWITCH
MAGNETO
MUFFLER
OIL PUMP
OIL TANK
OPTIONAL
REAR BRAKE
REAR COMBINATION LAMP
REAR FENDER
REAR SWINGING ARM
REAR WHEEL
RIGHT HANDLE SWITCH
SEAT
SPEEDOMETER
STAND
TRANSMISSION
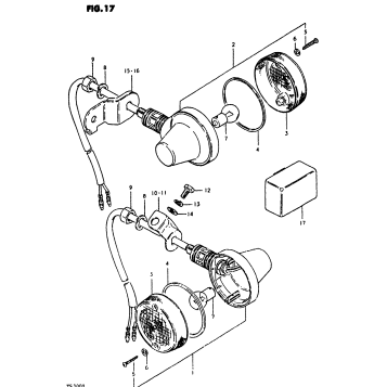
TURN SIGNAL LAMP
WIRING HARNESS
Fuel Your Passion
Parts That Keep You Riding
Edit ride