- Partiron
- OEM Parts
- Suzuki
- Motorcycle
- 1981
- TS100 (1981)
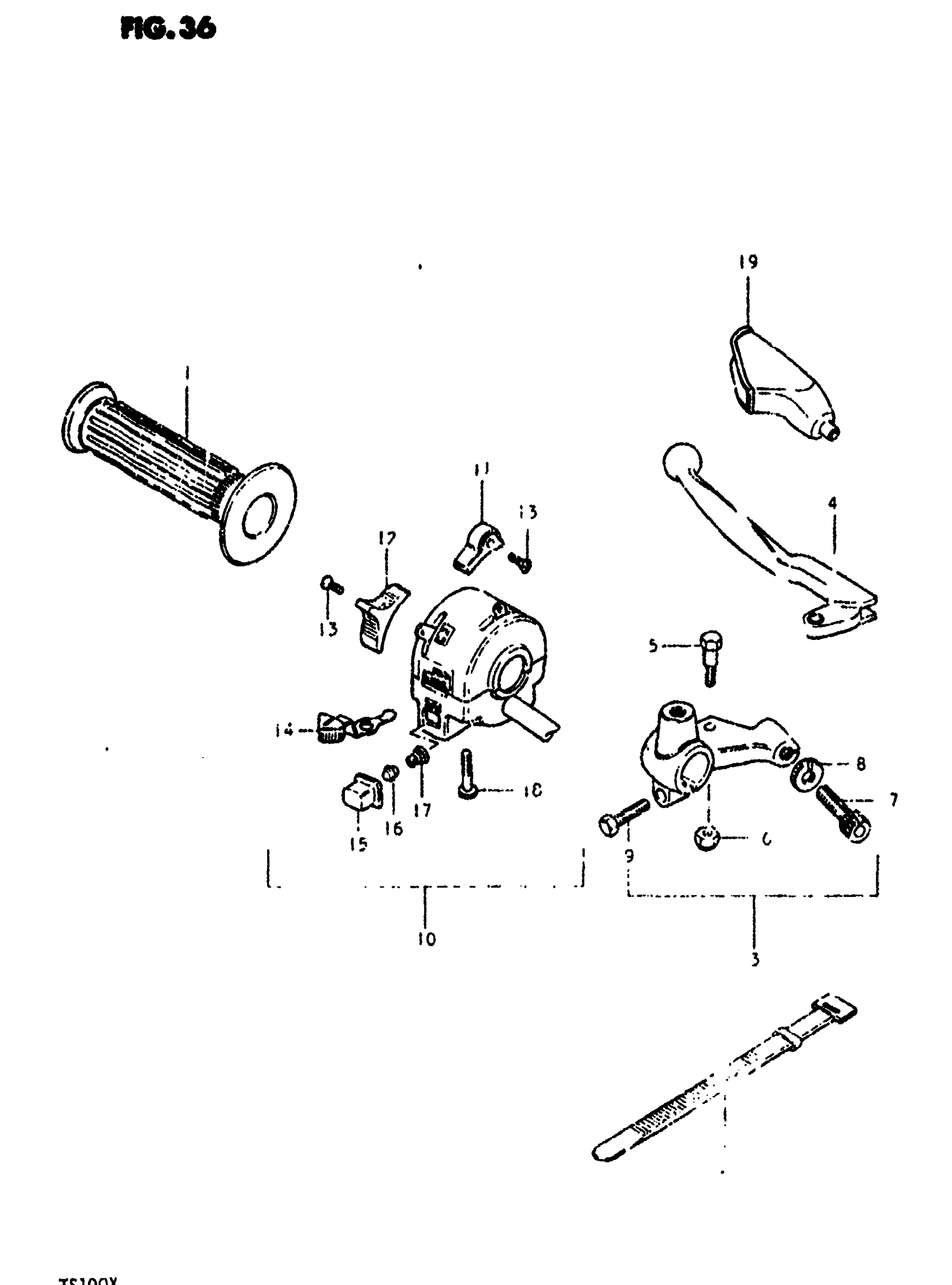
LEFT HANDLE SWITCH
Suzuki TS100 (1981) LEFT HANDLE SWITCH Diagram
#
Description
Price
10
NO DESCRIPTION AVAILABLE | Includes Item(s) 11 - 18 This part replaces 37400-32411.
37400-32412
Unavailable
11
KNOB, STOPPER
37414-45862
Unavailable
