- Partiron
- OEM Parts
- Suzuki
- Motorcycle
- 1981
- TS100 (1981)
CARBURETOR
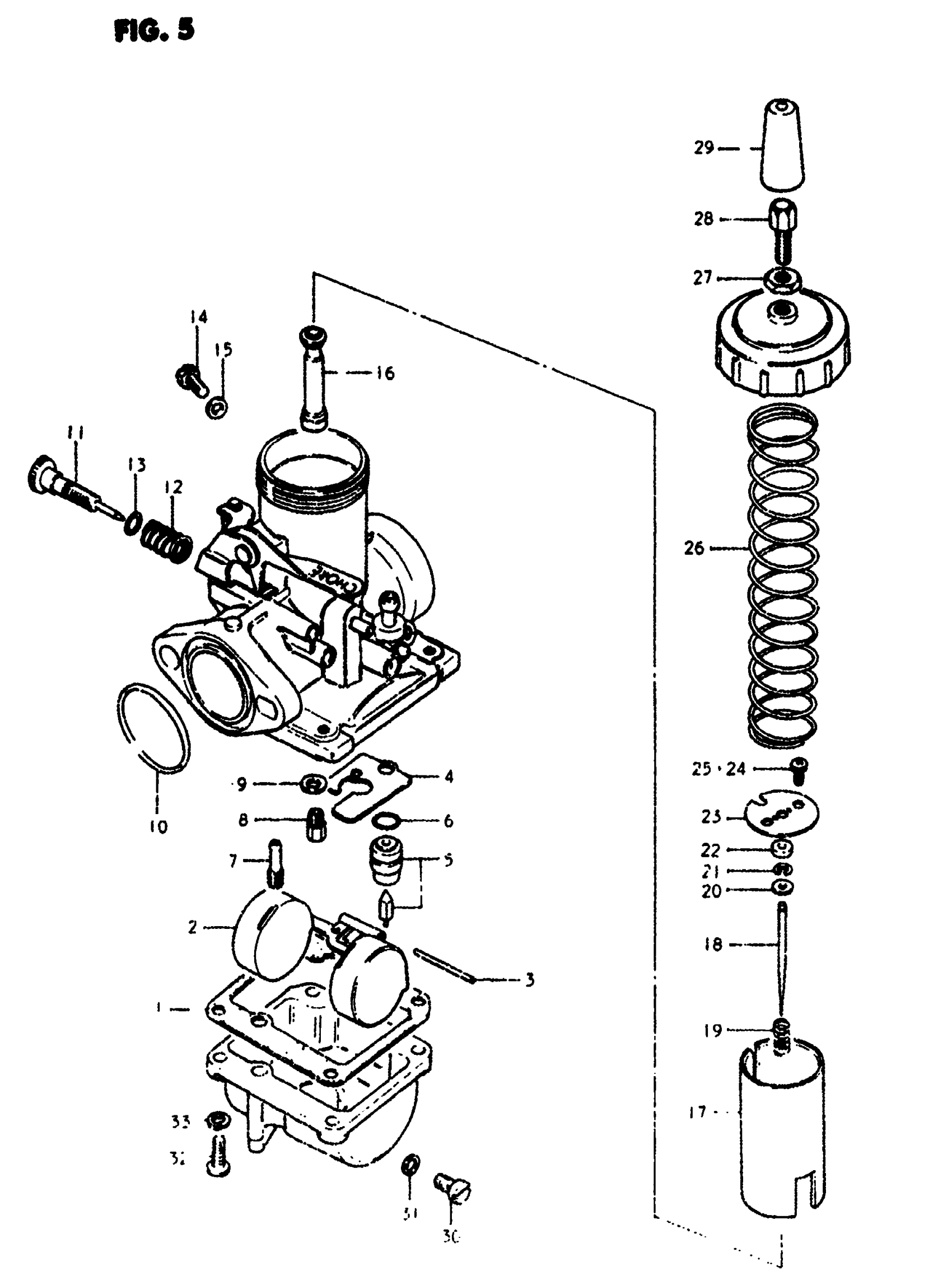
Suzuki TS100 (1981) CARBURETOR Diagram
#
Description
Price
0
CARBURETOR | Includes Item(s) 1 - 28
13200-48160
Unavailable
8
JET, MAIN (115)
09491-23010
Unavailable
16
JET, NEEDLE
09494-00257
Unavailable
17
VALVE, THROTTLE
13551-48020
Unavailable
18
NEEDLE, JET
13383-48160
Unavailable
23
SEAT, THROTTLE VALVE SPRING
13581-48020
Unavailable
26
SPRING, THROTTLE VALVE
13573-27650
Unavailable
