- Partiron
- OEM Parts
- Suzuki
- Motorcycle
- 1981
- TS100 (1981)
MAGNETO
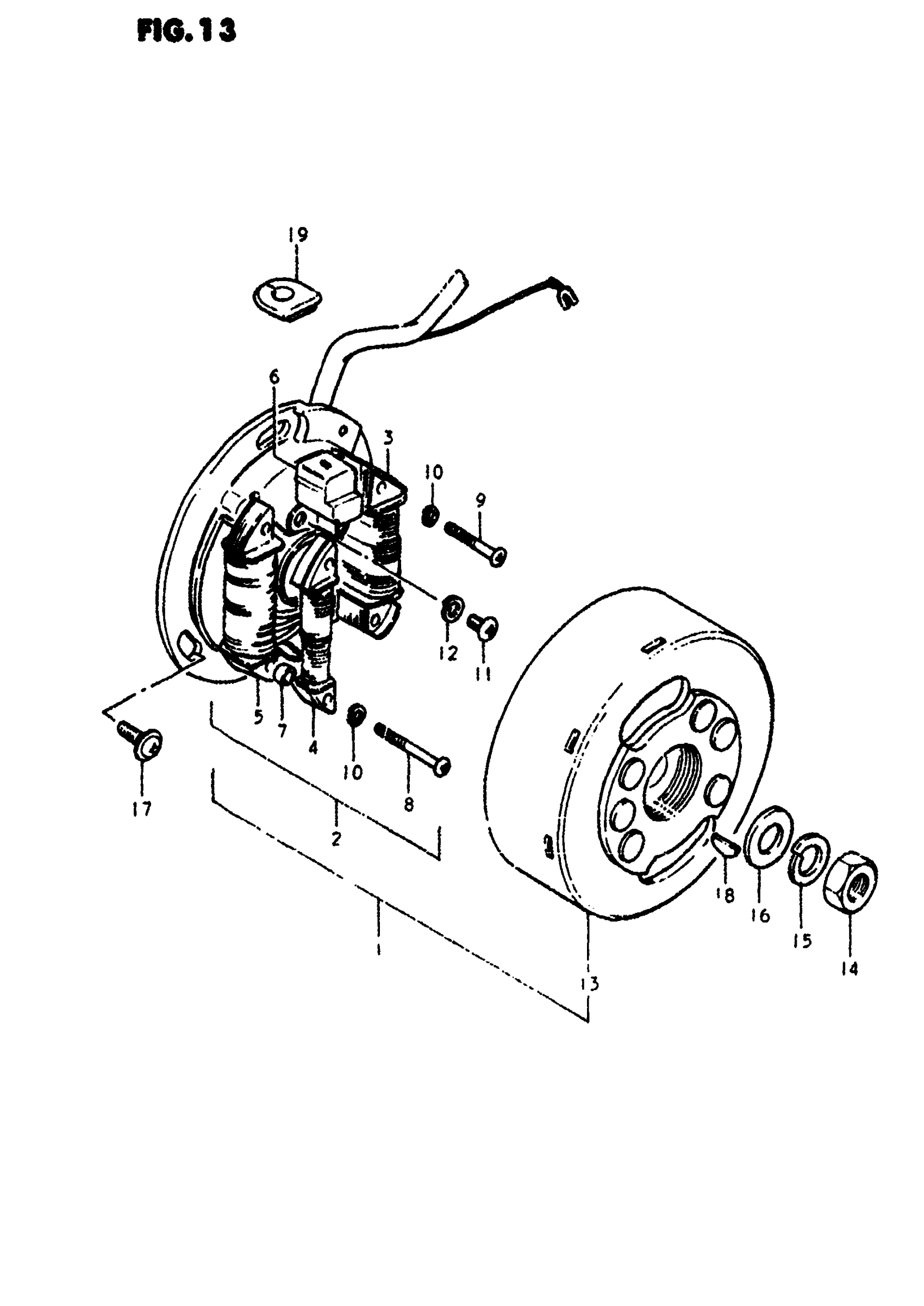
Suzuki TS100 (1981) MAGNETO Diagram
#
Description
Price
1
STATOR ASSY | MODEL T This part replaces 32100-48520.
32101-48521
Unavailable
1
STATOR ASSY | MODEL X; Includes Item(s) 2 - 13 This part replaces 32100-48521.
32101-48521
Unavailable
2
STATOR ASSY | MODEL T This part replaces 32101-48520.
32101-48521
Unavailable
2
STATOR ASSY | MODEL X
32101-48521
Unavailable
3
COIL, LIGHTING
32120-48610
Unavailable
4
COIL, CHARGING
32130-48520
Unavailable
5
COIL, PRIMARY
32140-48520
Unavailable
6
COIL, PULSER
32150-48520
Unavailable
7
SPACER
32160-48610
Unavailable
13
ROTOR
32102-48520
Unavailable
19
GROMMET
09309-09007
Unavailable
