- Partiron
- OEM Parts
- Suzuki
- Motorcycle
- 1981
- TS100 (1981)
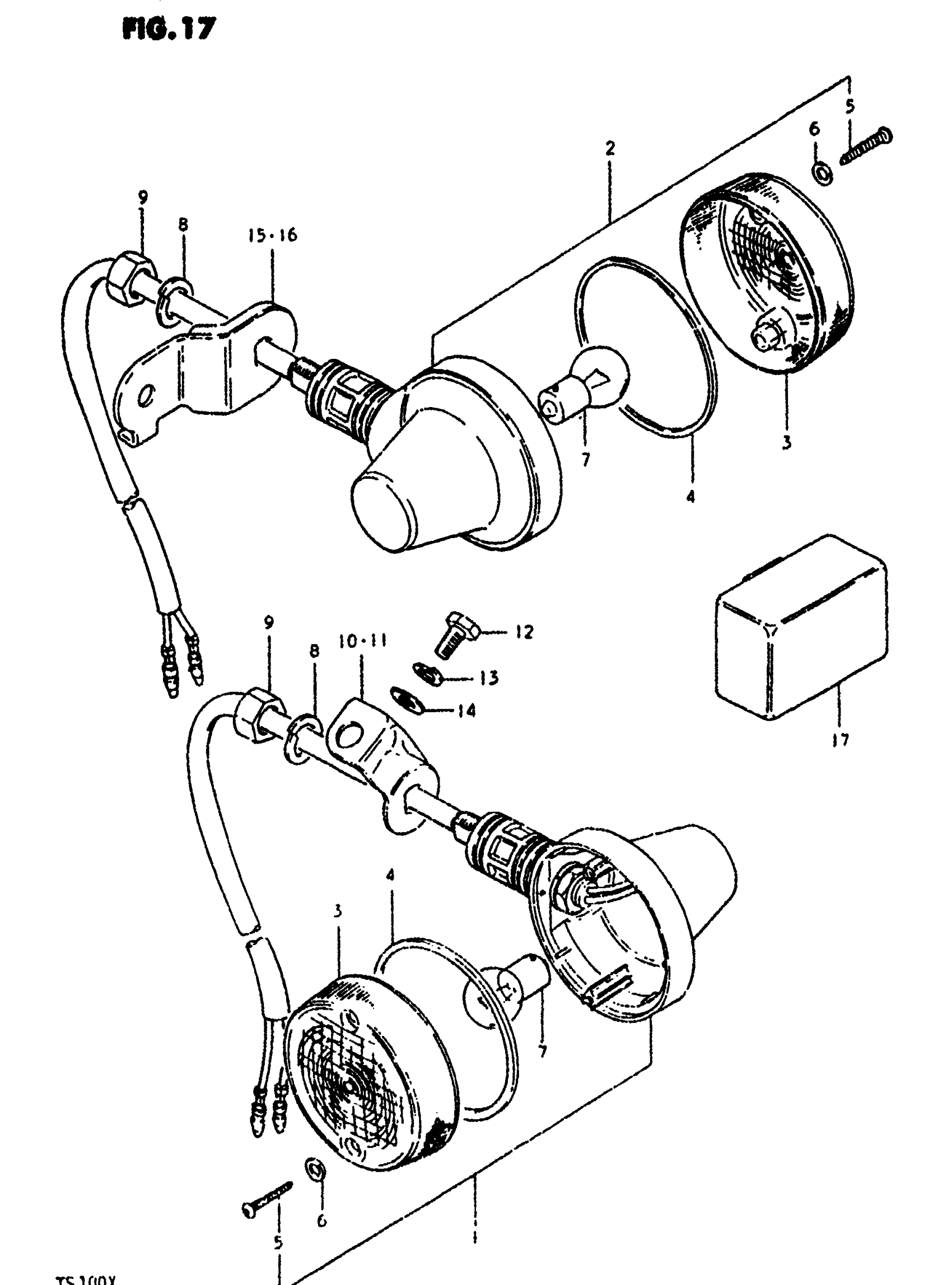
TURN SIGNAL LAMP
Suzuki TS100 (1981) TURN SIGNAL LAMP Diagram
#
Description
Price
2
LAMP ASSY REAR | MODEL X; Includes Item(s) 3 - 6 This part replaces 35603-48532.
35603-48532-999
$75.02
7
BULB (6V,21CP)
09471-06011
Unavailable
17
RELAY ASSY,TRN This part replaces 38610-48600.
38610-05X50
Unavailable
