Summit 600/700/800, 2001
01- Cooling System
01- Crankcase, Water Pump And Oil Pump
01- Crankshaft And Pistons (593)
01- Crankshaft And Pistons (693, 793)
01- Cylinder, Exhaust Manifold, Reed Valve (593693)
01- Cylinder, Exhaust Manifold, Reed Valve (793)
01- Engine Support And Muffler
02- Air Intake System
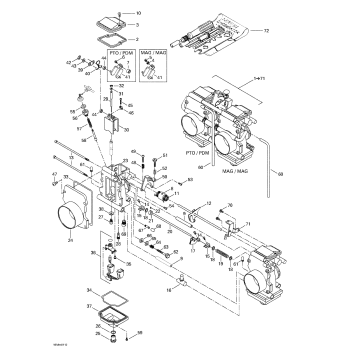
02- Carburetors
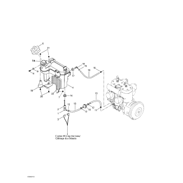
02- Fuel System
02- Oil Tank
03- Ignition
03- Magneto (12V, 290W)
04- Rewind Starter
05- Chaincase
05- Drive Axle And Track
05- Drive Pulley
05- Driven Pulley
06- Hydraulic Brake And Belt Guard
07- Front Shocks
07- Front Suspension And Ski
07- Front Take Apart Shocks
07- Steering System
08- Front Arm
08- Front Arm, Foothill
08- Rear Arm
08- Rear Arm, Foothill
08- Rear Shocks 2
08- Rear Suspension
08- Rear Suspension (foothill)
08- Rear Take Apart Shocks
09- Bottom Pan
09- Cab, Console
09- Decals
09- Frame And Accessories
09- Seat And Accessories
10- Electrical System
Fuel Your Passion
Parts That Keep You Riding
Edit ride