RM-Z450M2 (2022)
AIR CLEANER
BRAKE PEDAL
CAM CHAIN
CAMSHAFT/VALVE
CLUTCH
CRANKCASE
CRANKCASE COVER
CRANKSHAFT
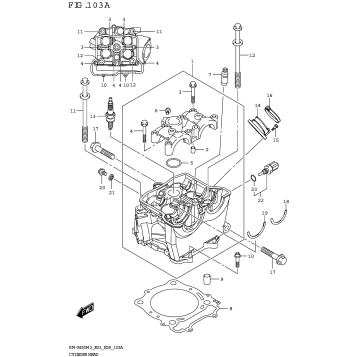
CYLINDER
CYLINDER HEAD
CYLINDER HEAD COVER
ELECTRICAL (E03)
ELECTRICAL (E28)
FOOTREST
FRAME
FRAME COVER
FRONT CALIPER
FRONT FENDER
FRONT FORK DAMPER
FRONT MASTER CYLINDER
FRONT WHEEL
FUEL PUMP
FUEL TANK
GASKET SET
GEAR SHIFTING
HANDLE LEVER
HANDLEBAR
KICK STARTER
LABEL (E03)
LABEL (E28)
MAGNETO
MUFFLER
OIL PUMP
RADIATOR
RADIATOR COVER
REAR CALIPER
REAR CUSHION LEVER
REAR FENDER
REAR MASTER CYLINDER
REAR SHOCK ABSORBER
REAR SWINGINGARM
REAR WHEEL
SEAT
STEERING STEM
THROTTLE BODY
TRANSMISSION
WATER PUMP
Fuel Your Passion
Parts That Keep You Riding
Edit ride