MX Z 500/600/600 HO/700/800, 2003
01- Cooling System (493)
01- Cooling System (593, 693)
01- Crankcase, Water Pump And Oil Pump
01- Crankshaft And Pistons
01- Cylinder, Exhaust Manifold, Reed Valve
01- Engine Support
01- Muffler
02- Air Intake System
02- Carburetors
02- Fuel System
02- Oil Tank
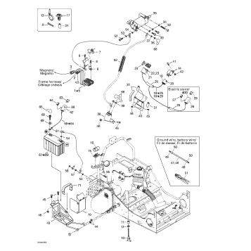
03- Magneto (12V, 360W)
04- Electric Starter
04- Rewind Starter
05- Drive Pulley
05- Drive Pulley (593 HO)
05- Drive System
05- Driven Pulley (RER)
05- Driven Pulley (STD)
06- Hydraulic Brake
07- Front Suspension And Ski
07- Front Take Apart Shocks
07- Steering System
07- Steering System (Adrenaline And Trail)
07- Steering System (Renegade)
08- Front Arm
08- Rear Arm
08- Rear Suspension
08- Rear Take Apart Shocks
09- Accessories
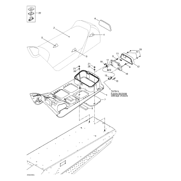
09- Bottom Pan
09- Cab, Console
09- Cargo (Renegade Europe)
09- Decals
09- Frame (Adrenaline And Trail)
09- Frame (Renegade)
09- Seat And Accessories
10- Battery
10- Electrical System
10- Frame Harness
Fuel Your Passion
Parts That Keep You Riding
Edit ride