Legend 500/600/700, 2003
01- Cooling System (493)
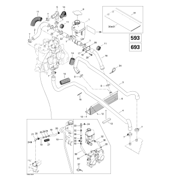
01- Cooling System (593)
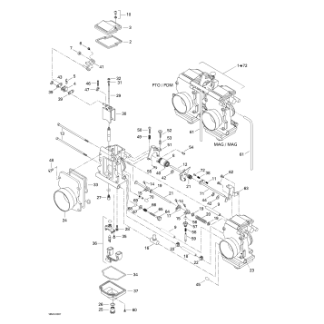
01- Crankcase, Water Pump And Oil Pump
01- Crankshaft And Pistons (493)
01- Crankshaft And Pistons (693)
01- Cylinder, Exhaust Manifold, Reed Valve (493
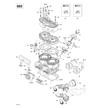
01- Cylinder, Exhaust Manifold, Reed Valve (693)
01- Engine Support And Muffler
02- Air Intake System
02- Air Intake System 2
02- Carburetors
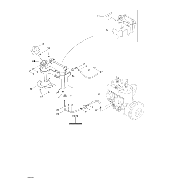
02- Fuel System
02- Oil Tank
03- Ignition
03- Magneto (12V, 360W)
04- Electric Starter
04- Rewind Starter
05- Drive Axle And Track
05- Drive Pulley
05- Driven Pulley
05- Transmission
06- Hydraulic Brake And Belt Guard
07- Front Suspension And Ski
07- Handlebar - Adjustable (SE)
07- Steering System
08- Air Shock And Compressor (SE)
08- Front Arm
08- Rear Arm
08- Rear Shocks
08- Rear Suspension
09- Bottom Pan
09- Cab, Console
09- Decals
09- Frame And Accessories
09- Seat And Accessories
10- Battery And Starter
10- Cab Harness
10- Console Harness
10- Frame Harness
10- Steering Harness
Fuel Your Passion
Parts That Keep You Riding
Edit ride