Legend 380F/550F, 2003
01- Cooling System And Fan
01- Crankcase (377)
01- Crankcase (552)
01- Crankshaft (377)
01- Crankshaft (552)
01- Cylinder, Exhaust Manifold (377)
01- Cylinder, Exhaust Manifold (552)
01- Engine Support And Muffler
02- Air Intake System
02- Carburetors (377)
02- Carburetors (552)
02- Fuel System
02- Oil Injection System
02- Oil Tank And Support
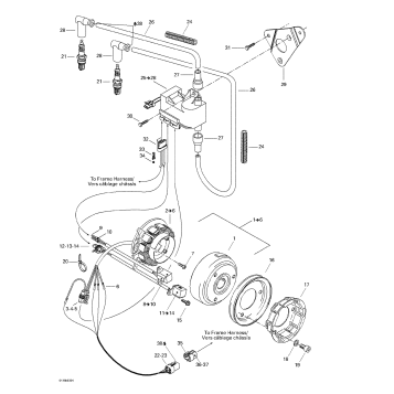
03- Magneto
04- Electric Starter
04- Rewind Starter
05- Chaincase
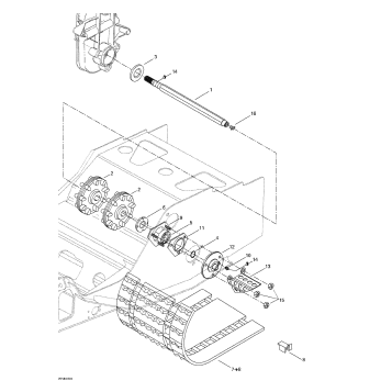
05- Drive Axle And Track
05- Drive Pulley (377)
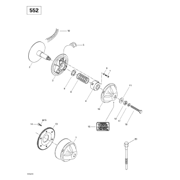
05- Drive Pulley (552)
05- Driven Pulley
06- Brake And Belt Guard
06- Hydraulic Brake And Belt Guard
07- Front Suspension And Ski
07- Steering System
08- Front Arm
08- Rear Arm
08- Rear Suspension
09- Bottom Pan
09- Cab, Console
09- Decals
09- Decals 2
09- Frame And Accessories
09- Seat And Accessories
10- Battery And Starter
10- Console Harness
10- Frame Harness
10- Hood Harness
Fuel Your Passion
Parts That Keep You Riding
Edit ride