GT550 (1972)
AIR CLEANER
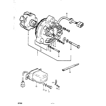
ALTERNATOR (MADE BY KOKUSAN)
ALTERNATOR (MADE BY NIPPON DENSO)
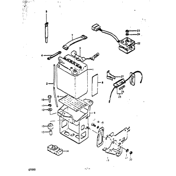
BATTERY
CARBURETOR (MARKED : 34013)
CARBURETOR (MARKED : 34014)
CARBURETOR (MARKED : 34015)
CHAIN CASE
CLUTCH
CLUTCH LEVER
CONTACT BREAKER (MADE BY KOKUSAN)
CONTACT BREAKER (MADE BY NIPPON DENSO)
COVER
CRANKCASE
CYLINDER
CYLINDER FITTINGS
ELECTRICAL
FENDER
FOOTREST BAR
FRAME
FRAME COVER
FRONT FORK
FRONT WHEEL
FUEL COCK
FUEL TANK
GEAR SHIFTING
HANDLEBAR - CONTROL CABLE
HEADLAMP
KICK STARTER
LH HANDLE SWITCH
MUFFLER
OIL PUMP
OIL TANK
OPTIONAL
PISTON - CRANKSHAFT
REAR BRAKE
REAR COMBINATION LAMP
REAR SWINGING ARM
REAR WHEEL
RH HANDLE SWITCH
SPEEDOMETER - TACHOMETER
STAND
STARTER CLUTCH
STARTING MOTOR (MADE BY KOKUSAN)
STARTING MOTOR (MADE BY NIPPON DENSO)
TRANSMISSION
TURN SIGNAL LAMP
Fuel Your Passion
Parts That Keep You Riding
Edit ride