- Partiron
- OEM Parts
- Suzuki
- Motorcycle
- 1972
- GT550 (1972)
STARTING MOTOR (MADE BY NIPPON DENSO)
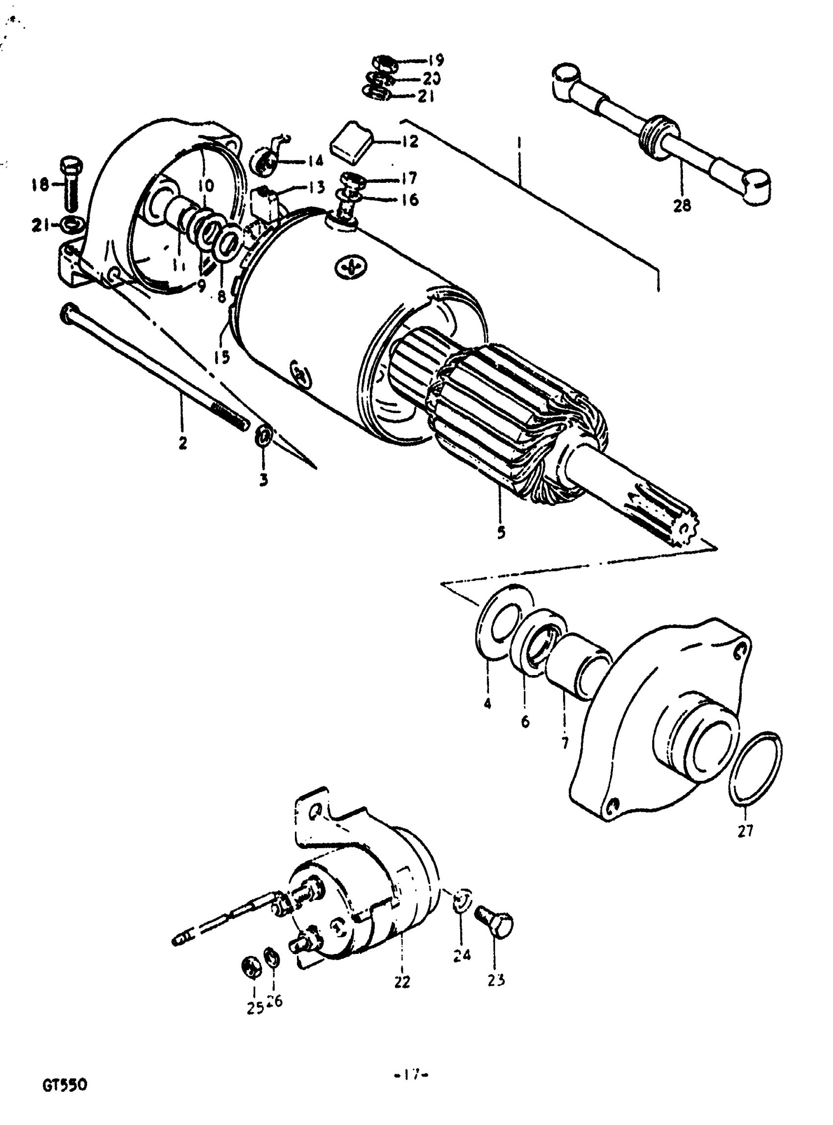
Suzuki GT550 (1972) STARTING MOTOR (MADE BY NIPPON DENSO) Diagram
#
Description
Price
1
MOTOR ASSY, STARTING | Includes Item(s) 2 - 17 This part replaces 31100-34010.
31100-34020
Unavailable
2
BOLT This part replaces 31281-31010.
31280-06B00
Unavailable
4
SHIM
31364-31010
Unavailable
5
ARMATURE
31311-31010
Unavailable
6
OIL SEAL
31153-31010
Unavailable
7
BUSHING
31152-31010
Unavailable
8
SHIM (1)
31361-65010
Unavailable
9
SHIM (2) | (0~2)
31362-51010
Unavailable
10
SHIM (3) | (0~2)
31363-51010
Unavailable
11
BUSHING, HOUSING END
31152-65010
Unavailable
12
BRUSH (+)
31131-65010
Unavailable
13
BRUSH (-)
31132-65010
Unavailable
15
GASKET
31264-65010
Unavailable
27
O RING
09280-22004
Unavailable
28
LEAD WIRE, STARTING MOTOR | FROM 36863-34000
36863-34001
Unavailable
