GSX1100F (1993)
AIR CLEANER
ALTERNATOR
BATTERY
CAM CHAIN
CAM SHAFT-VALVE
CANISTER (CALIFORNIA ONLY)
CARBURETOR
CLUTCH
CLUTCH HOSE
CLUTCH MASTER CYLINDER
COLOR CHART
COOLING FAN (CALIFORNIA ONLY)
COWLING (J)
COWLING (K)
COWLING (L)
COWLING (M)
COWLING (N/P)
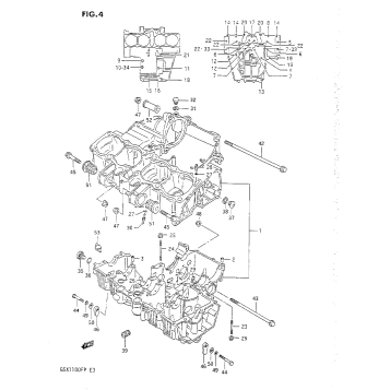
CRANKCASE
CRANKCASE COVER
CRANKSHAFT
CYLINDER
CYLINDER HEAD
CYLINDER HEAD COVER
ELECTRICAL
FOOTREST
FRAME
FRAME COVER (J/K/L)
FRAME COVER (M/N/P)
FRONT BRAKE HOSE
FRONT CALIPERS (J)
FRONT CALIPERS (K/L/M/N)
FRONT CALIPERS (P)
FRONT DAMPER (J)
FRONT DAMPER (K/L/M/N/P)
FRONT FENDER
FRONT MASTER CYLINDER (J)
FRONT MASTER CYLINDER (K/L/M/N/P)
FRONT WHEEL
FUEL COCK
FUEL TANK (J/K)
FUEL TANK (L/M)
FUEL TANK (N/P)
GEAR SHIFTING
HANDLE BAR
HANDLE SWITCH (J)
HANDLE SWITCH (K/L/M/N/P)
HEADLAMP
MUFFLER
OIL COOLER
OIL PAN
OIL PUMP
OPTIONAL
PILLION RIDER HANDLE
POWER SCREEN
REAR CALIPERS (J/K/L/M/N)
REAR CALIPERS (P)
REAR COMBINATION LAMP
REAR CUSHION LEVER
REAR FENDER
REAR MASTER CYLINDER
REAR SHOCK ABSORBER (J)
REAR SHOCK ABSORBER (K/L/M/N/P)
REAR SWINGING ARM
REAR WHEEL
SEAT
SEAT TAIL COVER (J/K/L)
SEAT TAIL COVER (M/N/P)
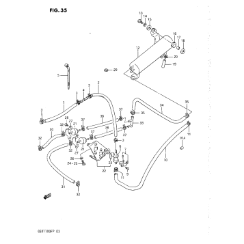
SECOND AIR (CALIFORNIA ONLY)
SIGNAL GENERATOR
SPEEDOMETER
STAND
STARTER CLUTCH
STARTING MOTOR
STEERING STEM
TRANSMISSION
TURN SIGNAL LAMP
WIRING HARNESS
Fuel Your Passion
Parts That Keep You Riding
Edit ride