- Partiron
- OEM Parts
- Suzuki
- Motorcycle
- 1993
- GSX1100F (1993)
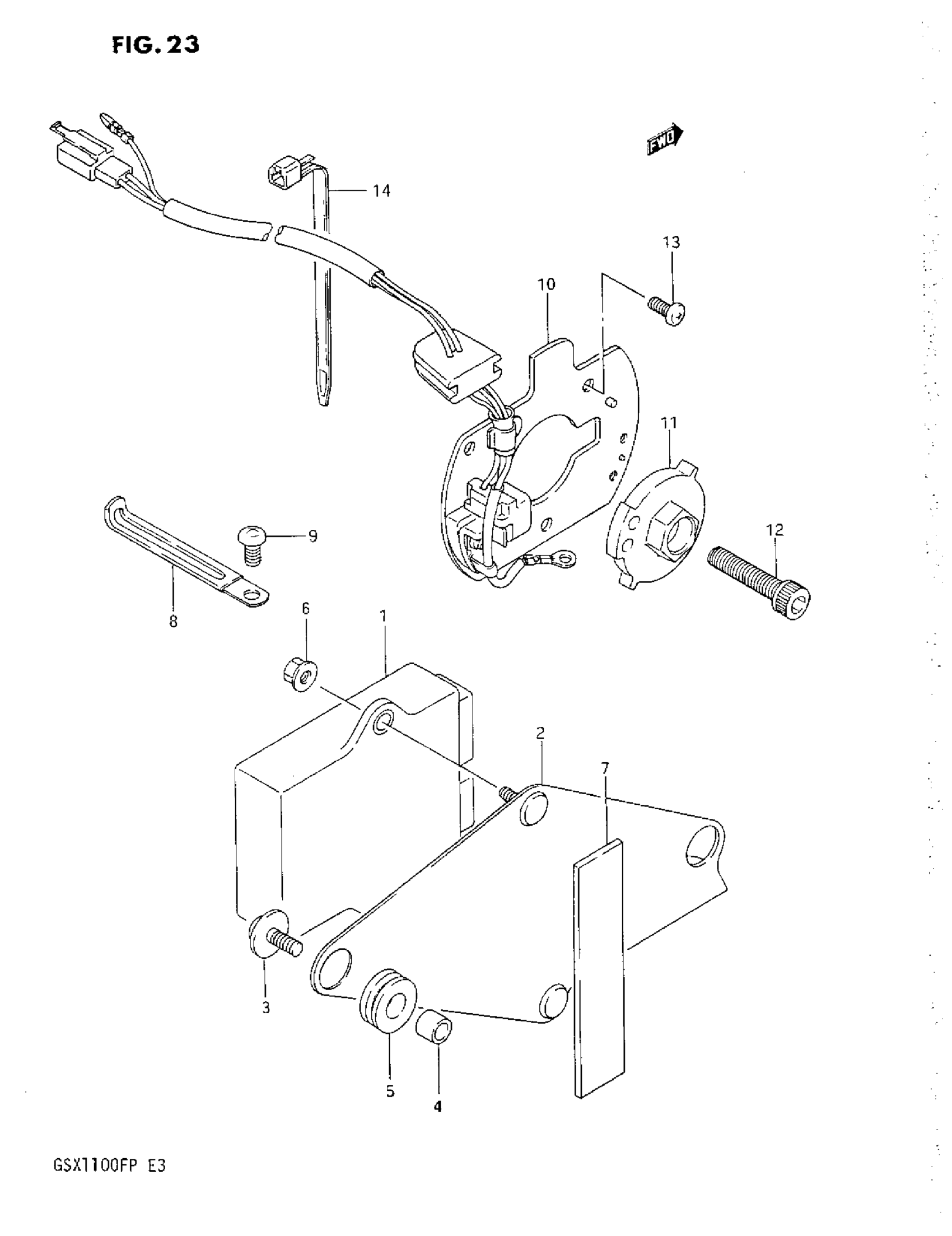
SIGNAL GENERATOR
Suzuki GSX1100F (1993) SIGNAL GENERATOR Diagram
#
Description
Price
1
IGNITER UNIT
32900-48B10
Unavailable
1
IGNITER UNIT | CALIFORNIA ONLY
32900-48B20
Unavailable
2
PLATE, IGNITER
32930-48B00
Unavailable
11
ROTOR, SIGNAL | CALIFORNIA ONLY
33120-48B20
Unavailable
