GS650GL (1982)
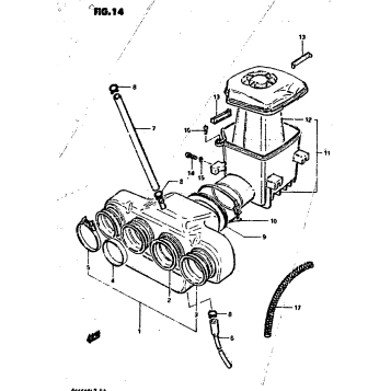
AIR CLEANER
BATTERY
CAM CHAIN
CAM SHAFT-VALVE
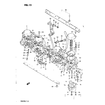
CARBURETOR (MODEL X)
CARBURETOR (MODEL Z)
CLUTCH
CRANKCASE
CRANKCASE COVER
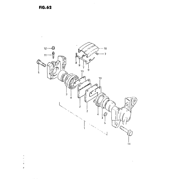
CRANKSHAFT
CYLINDER
CYLINDER HEAD
CYLINDER HEAD COVER (-F.NO.104612)
CYLINDER HEAD COVER (F.NO.104613-)
ELECTRICAL
FOOTREST (MODEL X)
FOOTREST (MODEL Z)
FRAME
FRAME COVER
FRAME COVER (MODEL Z)
FRONT BRAKE HOSE
FRONT CALIPERS
FRONT FORK (MODEL X)
FRONT FORK (MODEL Z)
FRONT MASTER CYLINDER (MODEL X)
FRONT MASTER CYLINDER (MODEL Z)
FRONT WHEEL (MODEL X)
FRONT WHEEL (MODEL Z)
FUEL COCK
FUEL TANK (MODEL X)
FUEL TANK (MODEL Z)
GEAR SHIFTING
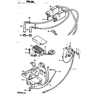
GENERATOR
HANDLEBAR
HEADLAMP
HEADLAMP HOUSING-FRONT FENDER
LEFT HANDLE SWITCH (MODEL X)
LEFT HANDLE SWITCH (MODEL Z)
MUFFLER
OIL PUMP-OIL FILTER
OPTIONAL
PROPELLER SHAFT-FINAL DRIVE GEAR
REAR BRAKE
REAR CARIPERS
REAR COMBINATION LAMP
REAR FENDER
REAR MASTER CYLINDER
REAR SWINGING ARM
REAR WHEEL
RIGHT HANDLE SWITCH (MODEL X)
RIGHT HANDLE SWITCH (MODEL Z)
SEAT
SECONDARY DRIVE GEAR
SIGNAL GENERATOR
SPEEDOMETER-TACHOMETER (MODEL X)
SPEEDOMETER-TACHOMETER (MODEL Z)
STAND
STARTER CLUTCH
STARTING MOTOR
STEERING STEM (MODEL X)
STEERING STEM (MODEL Z)
TRANSMISSION
TURN SIGNAL LAMP
WIRING HARNESS
Fuel Your Passion
Parts That Keep You Riding
Edit ride