- Partiron
- OEM Parts
- Suzuki
- Motorcycle
- 1982
- GS650GL (1982)
ELECTRICAL
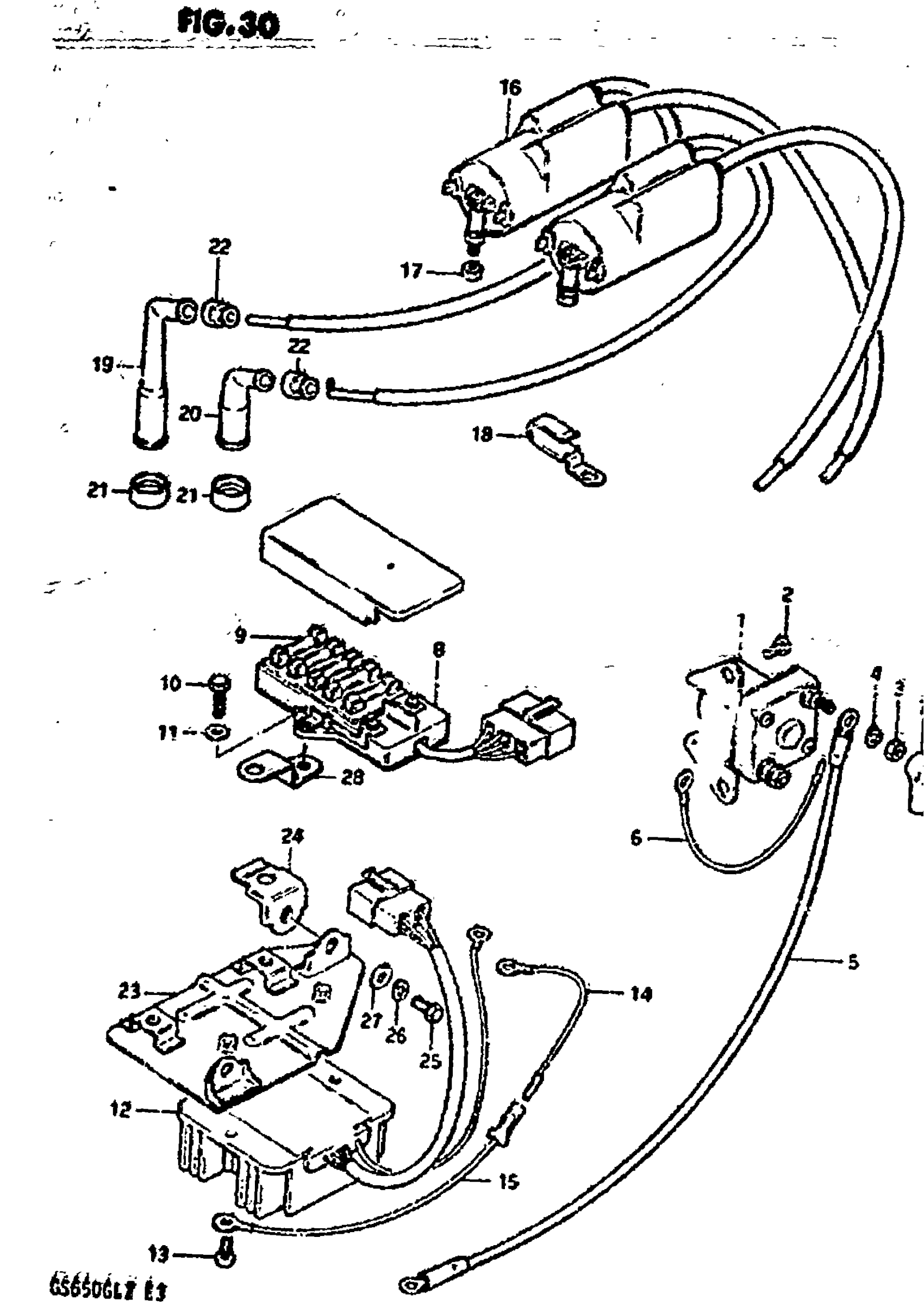
Suzuki GS650GL (1982) ELECTRICAL Diagram
#
Description
Price
5
LEAD WIRE, STARTING MOTOR This part replaces 33850-34300.
33850-48B00
Unavailable
8
NO DESCRIPTION AVAILABLE | Includes Item(s) 9 This part replaces 36740-34200.
36740-34X00
Unavailable
12
RECTIFIER COMP This part replaces 32800-34210.
32800-471V0
Unavailable
15
LEAD WIRE, EARTH (B)
36851-34200
Unavailable
22
SEAL, SPARK PLUG
37542-98000
Unavailable
23
PLATE, PARTS HOLDER
47410-34200
Unavailable
24
BRACKET, PARTS HOLDER
47420-34200
Unavailable
28
BRACKET
47454-34200
Unavailable
