Formula S, 1997
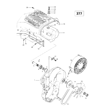
01- Cooling System Fan (377)
01- Cooling System Fan (503)
01- Crankcase (377)
01- Crankcase (503)
01- Crankshaft And Pistons (377)
01- Crankshaft And Pistons (503)
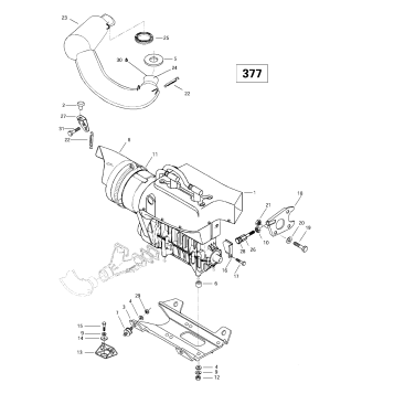
01- Engine Support And Muffler (377)
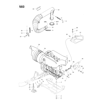
01- Engine Support And Muffler (503)
01- Exhaust Manifold (377)
01- Exhaust Manifold (503)
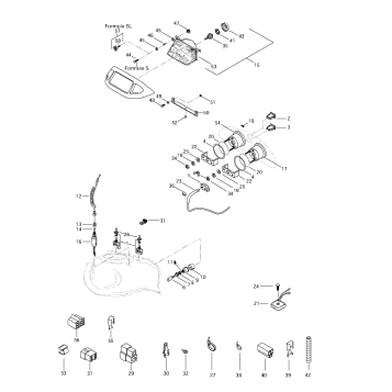
02- Carburetors (377)
02- Carburetors (503)
02- Fuel System
02- Oil Injection System
02- Oil Tank And Support
03- Magneto
04- Rewind Starter
05- Chaincase
05- Drive Axle And Track
05- Drive Pulley (503)
05- Driven Pulley
05- Pulleys (377)
06- Hydraulic Brake And Belt Guard
06- Mechanic Brake And Belt Guard
07- Front Suspension And Ski
07- Steering System
08- Front Arm, Rear Suspension
08- Rear Arm, Rear Suspension
08- Rear Suspension
09- Cab, Console
09- Decals
09- Frame And Accessories
09- Seat And Accessories
10- Electrical System
Fuel Your Passion
Parts That Keep You Riding
Edit ride