TS100 (1979)
AIR CLEANER
BATTERY
CARBURETOR (TS100C)
CARBURETOR (TS100N) (TS100C F.NO.119365-TSTCON)
CLUTCH
CRANKCASE
CRANKCASE COVER
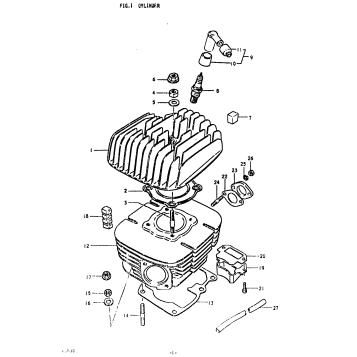
CYLINDER
ELECTRICAL
FRAME
FRAME COVER
FRONT FENDER
FRONT FORK
FRONT WHEEL
FUEL COCK
GEAR SHIFTING
HANDLEBAR
HEADLAMP
KICK STARTER
LEFT HANDLE SWITCH
MAGNETO (KOKUSAN)
MAGNETO (ND)
MUFFLER
OIL PUMP
OIL TANK
OPTIONAL
PISTON - CRANKSHAFT
REAR BRAKE
REAR COMBINATION LAMP
REAR FENDER
REAR SWINGING ARM
REAR WHEEL
RIGHT HANDLE SWITCH
SEAT
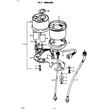
SPEEDOMETER
STAND - FOOTREST
TRANSMISSION
TURN SIGNAL LAMP
WIRING HARNESS
Fuel Your Passion
Parts That Keep You Riding
Edit ride