SPORTSMAN 500 ALL OPTIONS - A02CH50
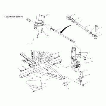
A-ARM/STRUT MOUNTING - A02CH50 ALL OPTIONS (4967436743C04)
AIR BOX - A02CH50 ALL OPTIONS (4967436743B01)
CARBURETOR - A02CH50 ALL OPTIONS (4967436743D09)
CLUTCH COVER - A02CH50 ALL OPTIONS (4967436743C07)
CONTROLS - MASTER CYLINDER/BRAKE LINE - A02CH50 ALL OPTIONS (4967436743B08)
CONTROLS - THROTTLE ASM/CABLE - A02CH50 ALL OPTIONS (4967436743B12)
COOLING SYSTEM - A02CH50 ALL OPTIONS (4967436743A10)
CRANKCASE - A02CH50 ALL OPTIONS (4967436743D03)
CRANKSHAFT AND PISTON - A02CH50 ALL OPTIONS (4967436743D04)
CYLINDER - A02CH50 ALL OPTIONS (4967436743D05)
DECALS - A02CH50AA/AB/AC/AD/AN/AE/EB/AK/FA (4967436743A09)
DECALS - A02CH50AJ (4967436743E05)
DECALS - A02CH50AL (4967436743E06)
DECALS - A02CH50AM (4967436743E07)
DRIVE CLUTCH - A02CH50 ALL OPTIONS (4967436743C05)
DRIVE SHAFT - A02CH50 ALL OPTIONS (4967436743B02)
DRIVEN CLUTCH - A02CH50 ALL OPTIONS (4967436743C06)
ELECTRICAL/TAILLIGHT - A02CH50 ALL OPTIONS (4967436743C08)
ENGINE MOUNTING - A02CH50 ALL OPTIONS (4967436743A13)
EXHAUST SYSTEM - A02CH50 ALL OPTIONS (4967436743A11)
FOOT BRAKE - A02CH50EB (4967436743B11)
FRAME MOUNTING - A02CH50 ALL OPTIONS (4967436743C03)
FRONT BRAKE - A02CH50 ALL OPTIONS (4967436743B07)
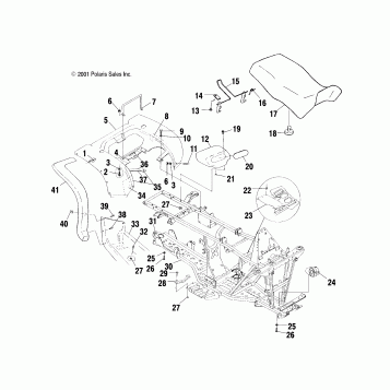
FRONT CAB - A02CH50 ALL OPTIONS (4967436743A05)
FRONT HOUSING - A02CH50 ALL OPTIONS (4967436743C13)
FRONT RACK AND BUMPER MOUNTING - A02CH50 ALL OPTIONS (4967436743A07)
FRONT STRUT - A02CH50 ALL OPTIONS (4959905990b007)
FRONT WHEEL - A02CH50 ALL OPTIONS (4967436743B06)
FUEL PUMP - A02CH50 ALL OPTIONS (4967436743E02)
FUEL TANK - A02CH50 ALL OPTIONS (4967436743A12)
GEAR SELECTOR - A02CH50 ALL OPTIONS (4967436743C12)
GEARCASE (Cases and Snorkel) - A02CH50 ALL OPTIONS (4967436743C14)
GEARCASE (Internal Components) - A02CH50 ALL OPTIONS (4967436743D01)
HANDLEBAR AND HEADLIGHT POD - A02CH50 ALL OPTIONS (4967436743B13)
INTAKE AND EXHAUST - A02CH50 ALL OPTIONS (4967436743D07)
MAGNETO - A02CH50 ALL OPTIONS (4967436743D14)
MULTI MOUNT WINCH - A02CH50AJ (4967436743E04)
OIL FILTER - A02CH50 ALL OPTIONS (4967436743D13)
OIL PUMP - A02CH50 ALL OPTIONS (4967436743D12)
OIL TANK (If Built After 1/02/02) - A02CH50 ALL OPTIONS (4967436743E08)
OIL TANK (If Built Before 1/02/02) - A02CH50 ALL OPTIONS (4967436743C02)
PROP SHAFT - A02CH50 ALL OPTIONS (4967436743B03)
REAR BRAKE/FOOT PEDAL - A02CH50 ALL OPTIONS (4967436743B09)
REAR CAB AND SEAT - A02CH50 ALL OPTIONS (4967436743A03)
REAR DRIVE SHAFT - A02CH50 ALL OPTIONS (4967436743B04)
REAR RACK MOUNTING - A02CH50 ALL OPTIONS (4967436743A06)
REAR SUSPENSION - A02CH50 ALL OPTIONS (4967436743C09)
REAR WHEEL DRIVE - A02CH50 ALL OPTIONS (4967436743C11)
RECOIL STARTER - A02CH50 ALL OPTIONS (4967436743D08)
STARTING MOTOR - A02CH50 ALL OPTIONS (4967436743E01)
STEERING POST - A02CH50 ALL OPTIONS (4967436743C01)
TOOL KIT - A02CH50 ALL OPTIONS (4967436743E03)
WATER PUMP - A02CH50 ALL OPTIONS (4967436743D11)
Fuel Your Passion
Parts That Keep You Riding
Edit ride