SP250 (1983)
AIR CLEANER
BATTERY
CAM CHAIN
CAM SHAFT - VALVE
CARBURETOR
CLUTCH
CRANK BALANCER
CRANKCASE
CRANKCASE COVER (MODEL D)
CRANKCASE COVER (MODEL Z)
CRANKSHAFT
CUSHION LEVER
CYLINDER
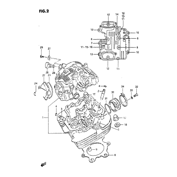
CYLINDER HEAD (MODEL D)
CYLINDER HEAD (MODEL Z)
ELECTRICAL
FOOTREST
FRAME
FRAME COVER (MODEL D)
FRAME COVER (MODEL Z)
FRONT FORK
FRONT WHEEL
FUEL COCK
FUEL TANK (MODEL D)
FUEL TANK (MODEL Z)
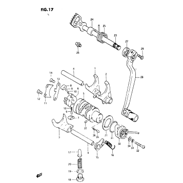
GEAR SHIFTING
HANDLEBAR
HEADLAMP
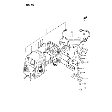
HEADLAMP HOUSING
KICK STARTER
LEFT HANDLE SWITCH
MAGNETO
MUFFLER
OIL PUMP
OPTIONAL
REAR COMBINATION LAMP
REAR FENDER
REAR SWINGING ARM
REAR WHEEL
RIGHT HANDLE SWITCH
SEAT
SHOCK ABSORBER
SPEEDOMETER
STAND - REAR BRAKE
STEERING STEM
TRANSMISSION
TURN SIGNAL LAMP
WIRING HARNESS
Fuel Your Passion
Parts That Keep You Riding
Edit ride