Skandic LT 440F, 2003
01- Cooling System And Fan
01- Crankcase
01- Crankshaft And Pistons
01- Cylinder, Exhaust Manifold
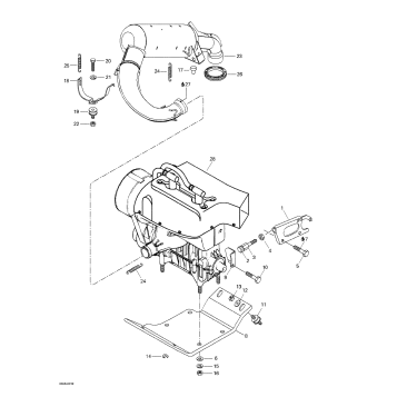
01- Engine Support And Muffler
02- Air Silencer
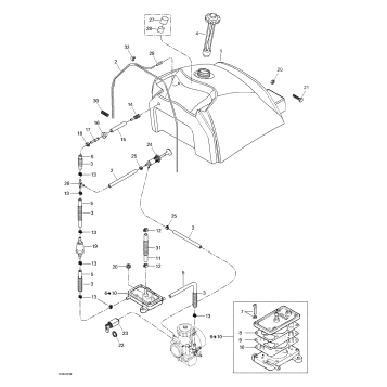
02- Carburetors
02- Fuel System
02- Oil Injection System
02- Oil Tank And Support
03- Magneto
04- Electric Starter (for Electric Models Only)
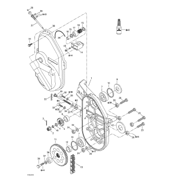
04- Rewind Starter
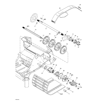
05- Chaincase
05- Drive Axle And Track
05- Drive Pulley
05- Driven Pulley
06- Hydraulic Brake And Belt Guard
07- Front Suspension And Ski
07- Steering System
08- Rear Suspension
09- Cab, Console, Bottom Pan
09- Decals
09- Frame, Seat And Accessories
10- Battery And Accesories (for Electric Models Only)
10- Electrical System
Fuel Your Passion
Parts That Keep You Riding
Edit ride