Skandic 500/600, 2002
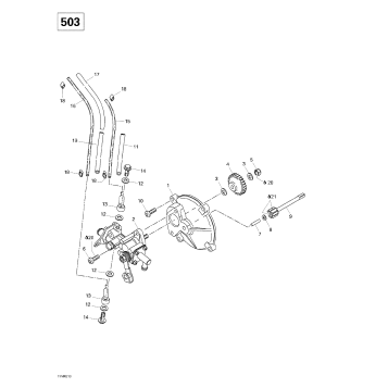
01- Cooling System Fan (503)
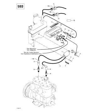
01- Cooling System (593)
01- Crankcase (503)
01- Crankcase, Rotary Valve, Water Pump (593)
01- Crankshaft And Pistons (503)
01- Crankshaft And Pistons (593)
01- Cylinder, Exhaust Manifold (503)
01- Cylinder, Exhaust Manifold (593)
01- Engine Support
02- Air Silencer
02- Carburetors
02- Fuel System
02- Oil Injection System (503)
02- Oil Tank And Support (503)
02- Oil Tank And Support (593)
03- Ignition (593)
03- Magneto (12V, 290W) (593)
03- Magneto (503)
04- Electric Starter
04- Rewind Starter (503)
05- Drive Axle, Track And Belt Guard
05- Drive Pulley
05- Driven Pulley
05- Transmission
06- Brake
07- Front Suspension And Ski
07- Steering System
08- Rear Suspension
09- Cab, Console, Seat
09- Cab, Console, Seat 2
09- Decals And Accessories
09- Options
10- Electrical System
10- Electrical System 2
Fuel Your Passion
Parts That Keep You Riding
Edit ride