MX Z X 600RS, 2009
99- Ski-Doo Publications
01- Cooling System
01- Crankcase
01- Crankshaft And Pistons
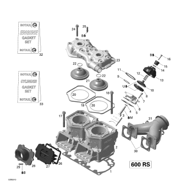
01- Cylinder, Exhaust Manifold And Reed Valve
01- Engine
01- Exhaust System
02- Air Intake System
02- Carburetor
02- Fuel System
03- Magneto
04- Rewind Starter
05- Drive System
05- Pulley System
06- Hydraulic Brakes
07- Front Suspension And Ski
07- Steering
07- Take Apart Shock, Front
08- Front Arm
08- Rear Arm
08- Rear Suspension
08- Take Apart Shock, Rear
09- Bottom Pan
09- Decals
09- Frame
09- Frame and Components 1
09- Frame and Components 2
09- Hood
09- Seat
09- Utilities
09- Windshield And Console
10- Electrical Harness
10- Electrical System
10- Steering Wiring Harness
Fuel Your Passion
Parts That Keep You Riding
Edit ride