A100 (1969)
@
AIR CLEANER
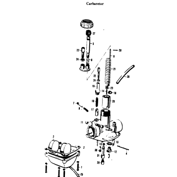
CARBURETOR
CLUTCH
CRANKCASE RIGHT COVER-CRANKCASE LEFT COVER
CYLINDER HEAD-CRANKCASE COVER-MUFFLER
CYLINDER-CRANKCASE
CYLINDER-PISTON-CARBURETOR-MUFFLER-SPROCKET-CABLES
EXHAUST PIPE-MUFFLER
FENDER-HANDLEBAR-CABLE-REAR SWINGING ARM
FLYWHEEL MAGNETO
FLYWHEEL MAGNETO-IGNITION COIL
FRAME-BRAKE PEDAL-FUEL TANK-OIL TANK-SEAT
FRAME-DUAL SEAT-FRAME COVER-REAR FENDER
FRONT FENDER-HANDLEBAR-CONTROL CABLES-STARTER LEVER
FRONT FORK
FRONT WHEEL
FRONT WHEEL-REAR WHEEL
FUEL TANK-FUEL COCK
GEAR SHIFTING CAM-GEAR SHIFTING LEVER-KICK STARTER LEVER
GEAR SHIFTING-NEUTRAL INDICATOR SWITCH
KICK STARTER
OIL PUMP
OIL TANK-OIL TANK OUTLET
OPTIONAL
PISTON-CRANKSHAFT-VALVE
REAR SWINGING ARM-REAR SHOCK ABSORBER
REAR WHEEL
REFLEX REFLECTOR-FRONT FORK
SELENIUM RECTIFIER-BATTERY-MAIN WIRING HARNESS
SPEEDOMETER-HEAD LAMP
SPEEDOMETER-HEAD LAMP-HIGH BEAM INDICATOR
STAND-BRAKE PEDAL-BRAKE ROD-FOOTREST BAR
TAIL/BRAKE LAMP
TAIL/BRAKE LAMP-MAIN WIRING HARNESS
THROTTLE GRIP-RIGHT SWITCH-LEFT SWITCH
TOOL SET
TRANSMISSON-DRIVE CHAIN
TURN SIGNAL-TURN SIGNAL RELAY
Fuel Your Passion
Parts That Keep You Riding
Edit ride