Mach Z, 2000
01- Cooling System
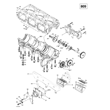
01- Crankcase, Reed Valve, Water Pump
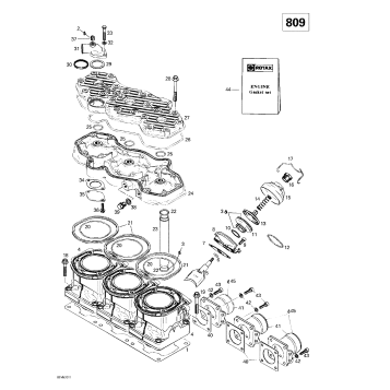
01- Crankshaft And Pistons
01- Cylinder, Exhaust Manifold
01- Engine Support And Muffler
02- Air Intake System
02- Carburetors
02- Fuel System
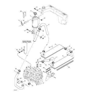
02- Oil Tank
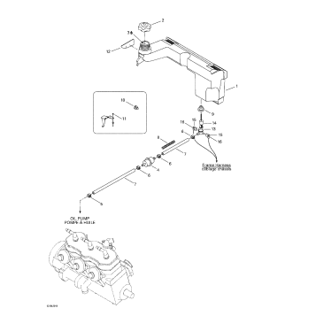
03- Ignition Housing Oil Pump
04- Rewind Starter
05- Chaincase
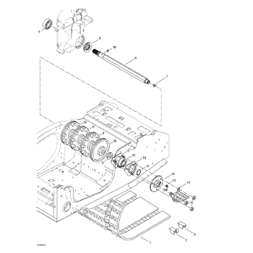
05- Drive Axle And Track
05- Drive Pulley
05- Driven Pulley
06- Hydraulic Brake And Belt Guard
07- Front Suspension And Ski
07- Steering System
08- Front Arm
08- Rear Arm
08- Rear Suspension
09- Bottom Pan
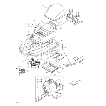
09- Cab, Console
09- Decals
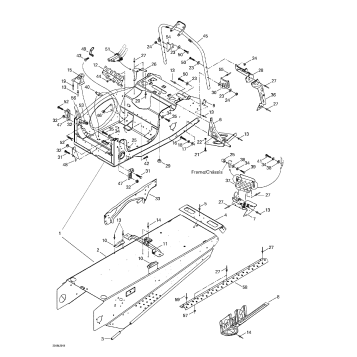
09- Frame And Accessories
09- Seat And Accessories
10- Electrical System
03- Magneto (12V, 290W)
Fuel Your Passion
Parts That Keep You Riding
Edit ride