Grand Touring 500/600/700, 2001
01- Cooling System
01- Crankcase, Water Pump And Oil Pump
01- Crankshaft And Pistons (493, 593)
01- Crankshaft And Pistons (693)
01- Cylinder, Exhaust Manifold, Reed Valve
01- Engine Support And Muffler
02- Air Intake System (493, 593)
02- Air Intake System (693)
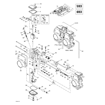
02- Carburetors (493)
02- Carburetors (593
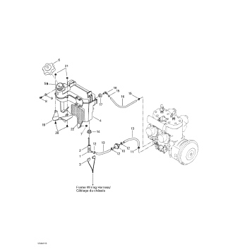
02- Fuel System
02- Fuel System (493)
02- Oil Tank
03- Ignition (493)
03- Ignition (593, 693)
03- Magneto (12V, 290W)
04- Electric Starter
04- Rewind Starter
05- Drive Axle And Track
05- Drive Pulley
05- Driven Pulley
05- Transmission
06- Hydraulic Brake And Belt Guard
07- Front Shocks
07- Front Suspension And Ski
07- Steering System
08- Front Arm
08- Rear Arm
08- Rear Shocks 2
08- Rear Suspension
09- Bottom Pan
09- Cab, Console
09- Decals
09- Frame And Accessories
09- Luggage Rack, Hitch
09- Rack
09- Seat And Accessories
10- Battery And Starter
10- Electrical System
Fuel Your Passion
Parts That Keep You Riding
Edit ride