Partiron

Ski-Doo Grand Touring 500/600/700, 2001 Rear Shocks 2 Diagram

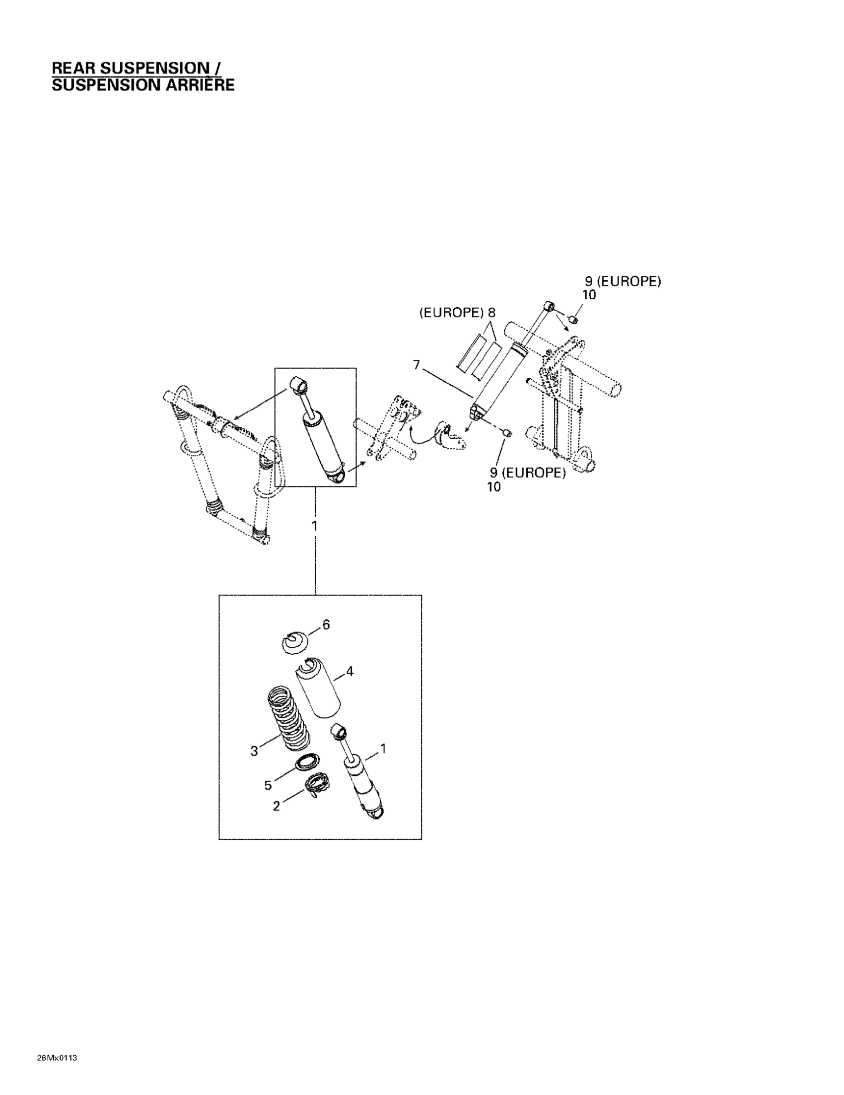
#

Description
Price

1

Center Shock | Grand Touring 500. Grand Touring 600. Grand Touring 700.

503189554

Unavailable

2

Adjustment Cam

505073625

$12.99

3

SPRING - Call your local BRP dealership

503189659

Unavailable

4

Protector

503193663

$37.99

5

Spring Guide

503187500

$10.49

6

Spring Stopper

706200881

$12.99

7

Rear Shock

503189426

Unavailable

7

HPG Shock Kit (Europe) | Includes 7 - 9. Grand Touring 500.

860306200

Unavailable

8

HPG Decal (Europe)

516000182

Unavailable

9

Bushing

414936000

$13.99

10

Bushing

414936000

$13.99