- Partiron
- OEM Parts
- Ski-Doo
- 2001
- Grand Touring
- Grand Touring 500/600/700, 2001
Ignition (493)
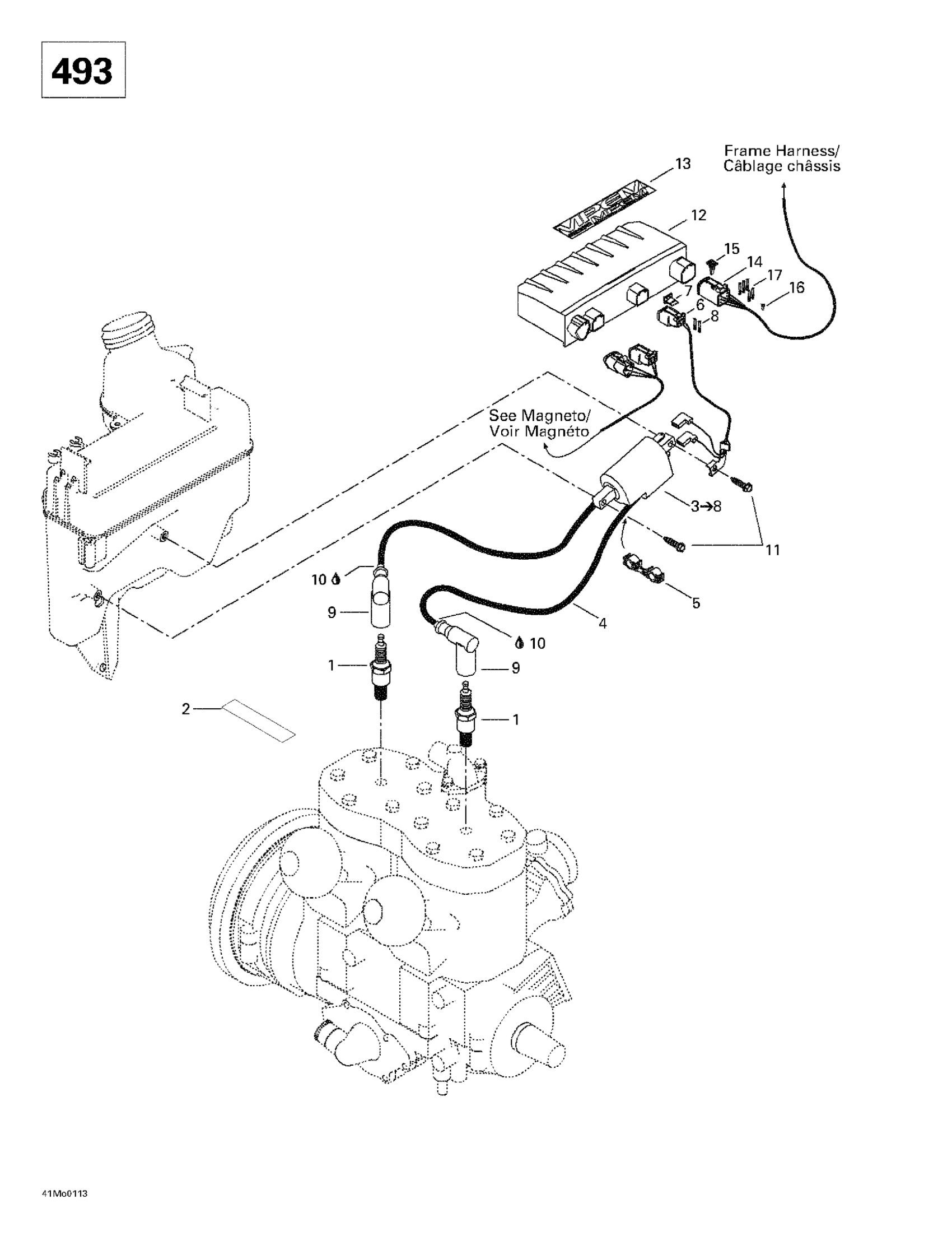
Ski-Doo Grand Touring 500/600/700, 2001 Ignition (493) Diagram
#
Description
Price
2
Spark Plug Decal
516000986
Unavailable
3
IGNITION COIL - Call your local BRP dealership | Includes 3 - 8. Formula Deluxe 500.
512059039
Unavailable
4
SPARK PLUG WIRE - Call your local BRP dealership This part replaces 278001268.
278002198
Unavailable
7
FEMALE LOCK, 2 CIRCUITS - Call your local BRP dealership
409207100
Unavailable
11
14 X 1 UNSL HX WSHR T/AB BLK ZINC - Call your local BRP dealership This part replaces 250000005.
296000365
Unavailable
12
Calibration Module | Formula Deluxe 500.
515175380
Unavailable
13
Electrical Box Decal
516000245
Unavailable
15
MALE LOCK, 6 CIRCUITS - Call your local BRP dealership
278000737
Unavailable
