FST IQ SWITCHBACK - S07PS7FS/FE
AIR INTAKE SYSTEM - S07PS7FS/FE (49SNOWAIRFSTSWTCH)
BATTERY - S07PS7FS/FE (4997479747D02)
BRAKE SYSTEM - S07PS7FS/FE (4997479747B02)
BUMPER, FRONT and NOSEPAN - S07PS7FS/FE (4997479747A07)
CHASSIS, FRONT - S07PS7FS/FE (49SNOWCHASSISFRTFSTSWTCH)
CHASSIS, REAR - S07PS7FS/FE (49SNOWCHASSISRRSWTCH)
CONSOLE - S07PS7FS/FE (49SNOWCONSOLEFSTSWTCH)
COOLER, INTER - S07PS7FS/FE (49SNOWCOOLERFSTIQSWTCH)
COOLING - S07PS7FS/FE (49SNOWCOOLINGFSTSWTCH)
DECAL - S07PS7FS/FE (49SNOWDECALFSTSWTCH)
DRIVE CLUTCH - S07PS7FS/FE (4997479747C11)
DRIVE TRAIN - S07PS7FS/FE (4997479747C10)
DRIVEN CLUTCH - S07PS7FS/FE (49SNOWDRIVENCLUTCHTRAILRMK)
ECU MOUNTING - S07PS7FS/FE (4997479747C07)
ENGINE ALTERNATOR - S07PS7FS/FE (49SNOWALTERNATORFSTSWTCH)
ENGINE WIRE HARNESS KIT - S07PS7FS/FE (49SNOWHARNESSFSTSWTCH)
ENGINE, CAM CHAIN and TENSIONERS - S07PS7FS/FE (4997479747D11)
ENGINE, COOLANT RAIL - S07PS7FS/FE (49SNOWCOOLANTFSTIQ)
ENGINE, CRANKSHAFT and BALANCE SHAFT - S07PS7FS/FE (4997479747E02)
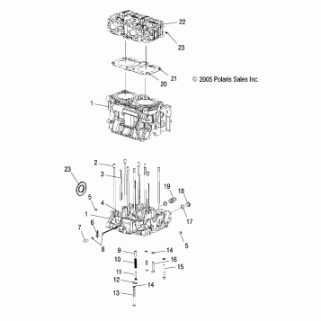
ENGINE, CYLINDER and CRANKCASE - S07PS7FS/FE (49SNOWCYLINDERFSTIQ)
ENGINE, DRIVE GEAR and PULLEY - S07PS7FS/FE (4997479747E06)
ENGINE, FUEL RAIL - S07PS7FS/FE (4997479747E03)
ENGINE, MOUNTING LH - S07PS7FS/FE (49SNOWENGINEMOUNTFSTSWTCH)
ENGINE, MOUNTING RH and FRONT - S07PS7FS/FE (49SNOWENGINEMOUNTRH)
ENGINE, OIL FILTER - S07PS7FS/FE (49SNOWOILFILTERFS)
ENGINE, OIL PUMP - S07PS7FS/FE (4997479747E01)
ENGINE, OIL SUMP - S07PS7FS/FE (49SNOWOILSUMP11IQ)
ENGINE, PISTON - S07PS7FS/FE (4997479747D12)
ENGINE, REFERENCE HOSES - S07PS7FS/FE (49SNOWHOSESFSTOUR)
ENGINE, STARTER MOTOR - S07PS7FS/FE (4997479747E04)
ENGINE, THROTTLE BODY/INTAKE MANIFOLD - S07PS7FS/FE (4997479747D09)
ENGINE, TURBO - S07PS7FS/FE (49SNOWTURBOFST)
ENGINE, VALVE COVER - S07PS7FS/FE (4997479747D07)
ENGINE, VALVE TRAIN - S07PS7FS/FE (4997479747D13)
ENGINE, VALVES - S07PS7FS/FE (4997479747D14)
ENGINE, WATER PUMP - S07PS7FS/FE (4997479747D10)
EXHAUST - S07PS7FS/FE (49SNOWEXHAUSTFSTSWTCH)
FENDERS and SIDE PANELS - S07PS7FS/FE (49SNOWFENDERSFSTSWTCH)
FUEL SYSTEM - S07PS7FS/FE (49SNOWFUELFSTSWTCH)
GEARCASE ASSEMBLY - S07PS7FS/FE (49SNOWGEARCASE07FST)
GEARCASE COVER - S07PS7FS/FE (4997479747E13)
GEARCASE MOUNTING - S07PS7FS/FE (4997479747C08)
HANDLEBAR - S07PS7FS/FE (49SNOWHANDLEBAR600SWTCH)
HEADLIGHT - S07PS7FS/FE (49SNOWHEADLGHT08RMK155)
HOOD - S07PS7FS/FE (49SNOWFSTOUR)
HOOD FOAM/SCREENS/FOIL - S07PS7FS/FE (49SNOWHOODSCFLFSTSWTCH)
IGNITION COILS - S07PS7FS/FE (4997479747D06)
OIL COOLING SYSTEM - S07PS7FS/FE (49SNOWOILTANKFSTOUR)
SEAT - S07PS7FS/FE (49SNOWSEAT600SWTCH)
SENSORS and ELECTRICAL COMPONENTS - S07PS7FS/FE (4997479747E11)
SHOCK, FRONT TRACK (7043142) - S07PS7FS/FE (4997479747C03)
SHOCK, IFS (7043141) - S07PS7FS/FE (4997479747C02)
SHOCK, REAR TRACK (7043246) - S07PS7FS/FE (49SNOWSHOCKREAR7043246)
SKI ASSEMBLY - S07PS7FS/FE (49SNOWSKIASM600HO)
STEERING HOOP - S07PS7FS/FE (49SNOWSTEERINGHOOPFSTSWTCH)
STEERING POST ASSEMBLY - S07PS7FS/FE (4997479747B10)
STEERING, LOWER - S07PS7FS/FE (4997479747B09)
STEERING/DRAG LINK - S07PS7FS/FE (49SNOWSTEERINGFSTSWTCH)
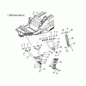
SUSPENSION, FRONT - S07PS7FS/FE (49SNOWSUSPFRTFSTSWTCH)
SUSPENSION, RAIL MOUNTING - S07PS7FS/FE (49SNOWSUSPRAILFSTSWTCH)
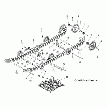
SUSPENSION, REAR - S07PS7FS/FE (49SNOWSUSPRR600SWTCH)
SWAY BAR - S07PS7FS/FE (4997479747B05)
TOOL KIT - S07PS7FS/FE (49SNOWTOOLFSTSWTCH)
TORQUE ARM, FRONT - S07PS7FS/FE (4997459745B13)
TORQUE ARM, REAR - S07PS7FS/FE (49SNOWTORQUEREAR600SWTCH)
WINDSHIELD - S07PS7FS/FE (4997479747A13)
WIRE HARNESS, MAIN/HOOD - S07PS7FS/FE (49SNOWWIREHARNESSFSTSWTCH)
Fuel Your Passion
Parts That Keep You Riding
Edit ride