- Partiron
- OEM Parts
- Polaris
- SNOW
- SNO
- 2007
- FST IQ SWITCHBACK - S07PS7FS/FE
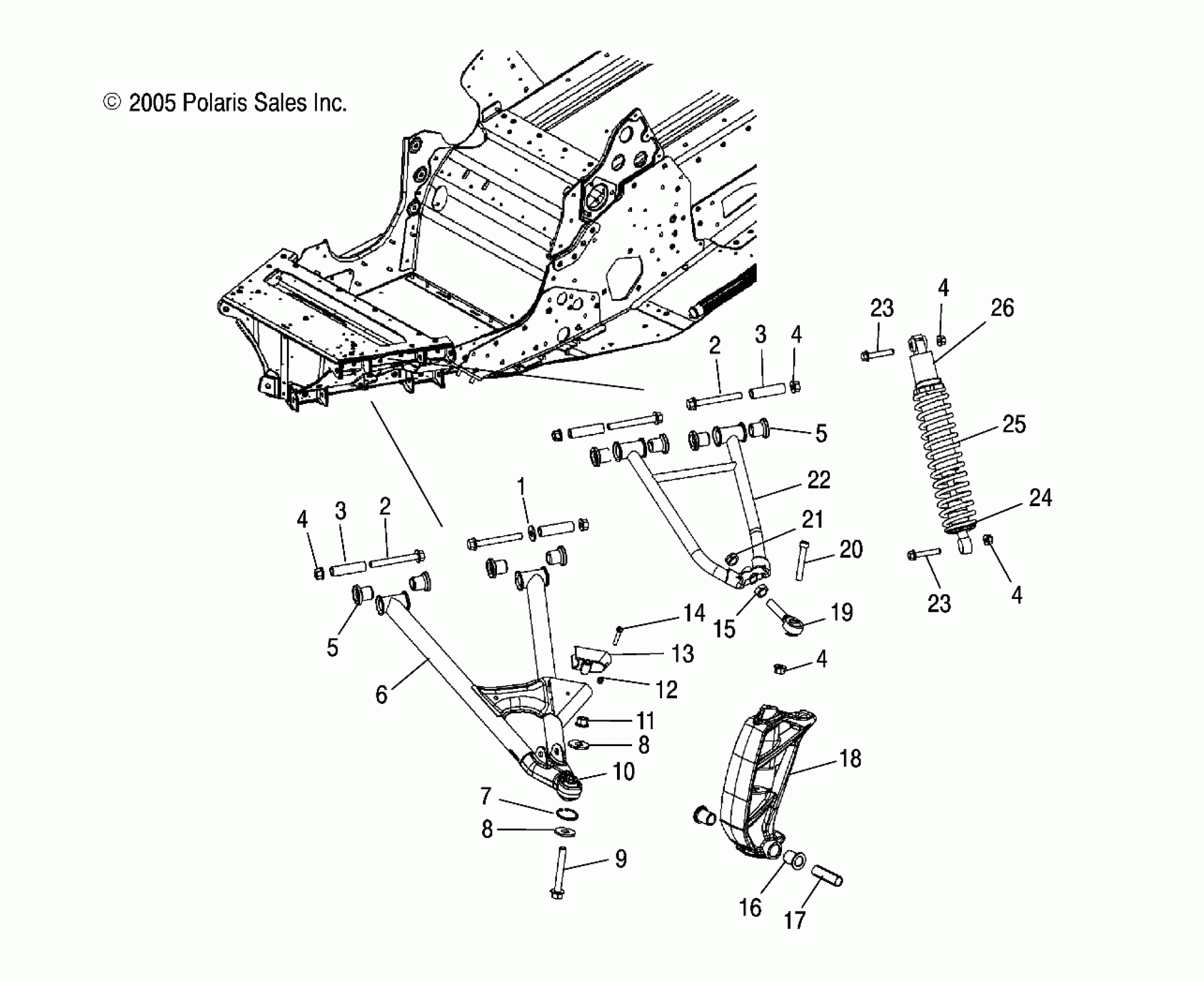
SUSPENSION, FRONT - S07PS7FS/FE (49SNOWSUSPFRTFSTSWTCH)
Polaris FST IQ SWITCHBACK - S07PS7FS/FE SUSPENSION, FRONT - S07PS7FS/FE (49SNOWSUSPFRTFSTSWTCH) Diagram
#
Description
Price
18
Asm., Spindle, RH [Incl. 16]
1822796
Unavailable
18
Asm., Spindle, LH [Incl. 16]
1822795
Unavailable
22
Kit, Upper Control Arm, Cld. Slv., RH [Incl. 3,5,12,15,19,21]
2203020-385
Unavailable
24
Retainer, Spring
5630580
Unavailable
