Touring SLE, 2000
01- Cooling System And Fan (377)
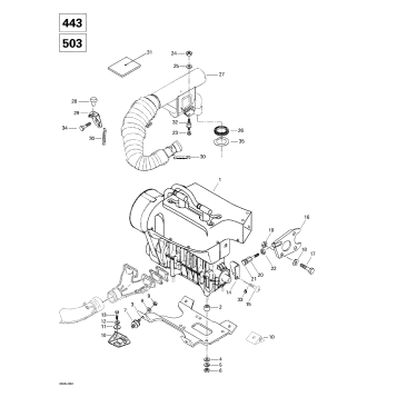
01- Cooling System And Fan (443, 503)
01- Crankcase (377, 443)
01- Crankcase (503)
01- Crankshaft (377, 443)
01- Crankshaft (503)
01- Cylinder, Exhaust Manifold (377, 443)
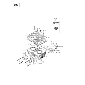
01- Cylinder, Exhaust Manifold (503)
01- Engine Support And Muffler (377)
01- Engine Support And Muffler (443, 503)
02- Air Intake System
02- Carburetors (377)
02- Carburetors (443, 503)
02- Fuel System
02- Oil Injection System
02- Oil Tank And Support
03- Magneto
04- Electric Starter
04- Rewind Starter
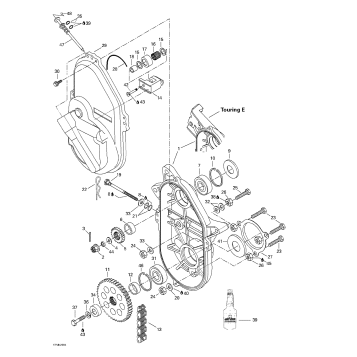
05- Chaincase
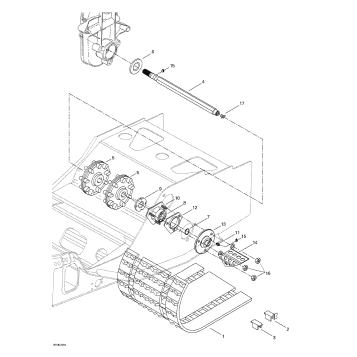
05- Drive Axle And Track
05- Drive Pulley (377)
05- Drive Pulley (443, 503)
05- Driven Pulley
06- Brake And Belt Guard
06- Hydraulic Brake And Belt Guard
07- Front Suspension And Ski
07- Steering System
08- Front Arm
08- Rear Arm
08- Rear Suspension
09- Cab, Console
09- Decals
09- Frame And Accessories
09- Seat And Accessories
10- Electrical System
Fuel Your Passion
Parts That Keep You Riding
Edit ride