Partiron

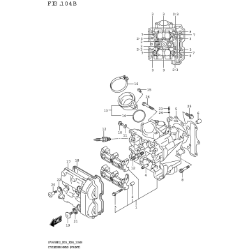
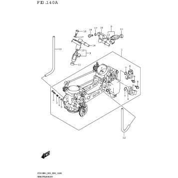
SV650XAM2 (2022) OEM Parts

Showing 1 to 100 of 103 (2 Pages)

Fuel Your Passion

Parts That Keep You Riding

Shop now
Fuel Your Passion