- Partiron
- OEM Parts
- Suzuki
- Motorcycle
- 2022
- SV650AM2 (2022)
REAR CUSHION LEVER (SV650,SV650A)
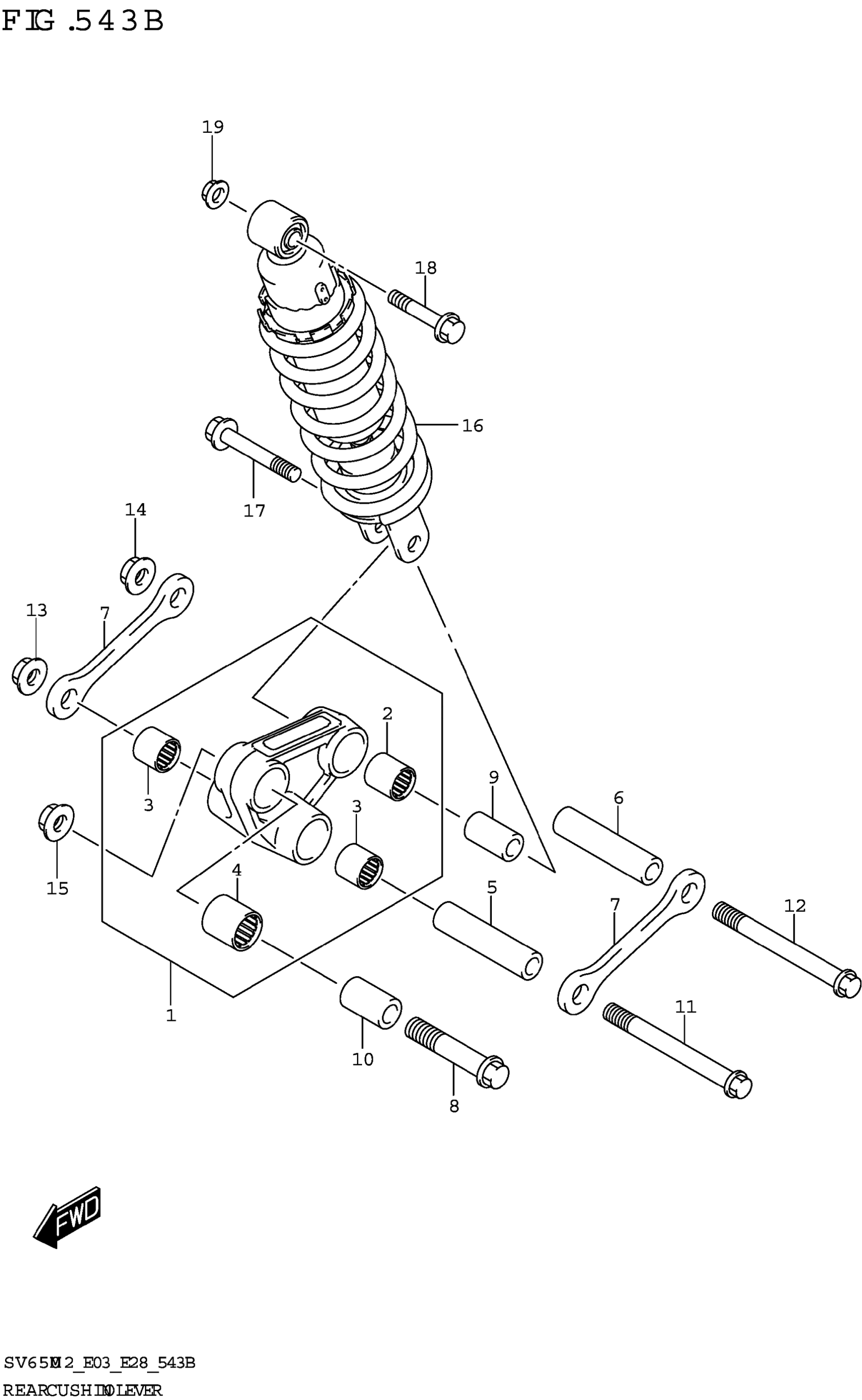
Suzuki SV650AM2 (2022) REAR CUSHION LEVER (SV650,SV650A) Diagram
#
Description
Price
REAR CUSHION LEVER (SV650,SV650A)
#
Edit ride
