Outlander 400 EFI, 2009
99- ATV Publications
01- Cooling System
01- Crankcase
01- Crankshaft And Pistons
01- Cylinder Head
01- Engine And Engine Support
01- Engine Lubrication
01- Exhaust System
02- Air Intake Silencer
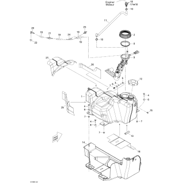
02- Fuel System
02- Intake Manifold And Throttle Body
03- Magneto
04- Rewind Starter
05- Gear Shift
05- Transmission
06- Hydraulic Brakes
06- Hydraulic Brakes Europe
07- Drive System, Front
07- Front Suspension
07- Steering
08- Drive System, Rear
08- Rear Suspension
09- Body And Accessories 1
09- Body And Accessories 2
09- Body And Accessories 3
09- Body And Accessories XT
09- Decals
09- Frame, System
09- Front and Rear Trays
09- Seat
10- Electrical Accessories
10- Electrical Accessories Europe
10- Electrical System
10- Engine Harness And Electronic Module
10- Main Harness
10- Main Harness Europe
Fuel Your Passion
Parts That Keep You Riding
Edit ride