MX Z X 440 LC, 2001
01- Cooling System
01- Crankcase, Water Pump
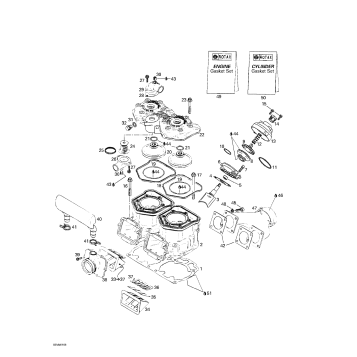
01- Crankshaft And Pistons
01- Cylinder, Exhaust Manifold
01- Engine Support And Muffler
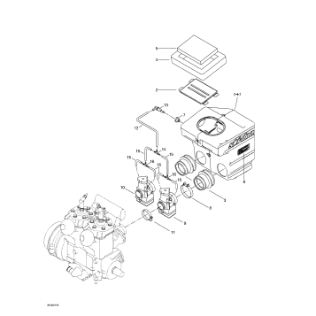
02- Air Intake System
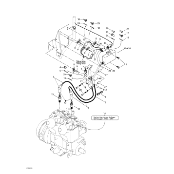
02- Carburetors
02- Fuel System
03- Ignition
03- Magneto 12V 290W
04- Rewind Starter
05- Chaincase
05- Drive Axle And Track
05- Drive Pulley
05- Driven Pulley
06- Hydraulic Brake And Belt Guard
07- Front Suspension And Ski
07- Front Take Apart Shocks
07- Steering System
08- Front Arm
08- Rear Arm
08- Rear Suspension
08- Rear Take Apart Shocks 2
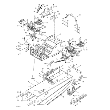
09- Bottom Pan
09- Cab, Console
09- Decals
09- Frame And Accessories
09- Seat And Accessories
10- Electrical System
Fuel Your Passion
Parts That Keep You Riding
Edit ride