Mach Z LT, 1997
01- Cooling System (699, 809)
01- Crankcase, Reed Valve, Water Pump (699,809)
01- Crankshaft And Pistons (699, 809)
01- Cylinder, Exhaust Manifold (699)
01- Cylinder, Exhaust Manifold (809)
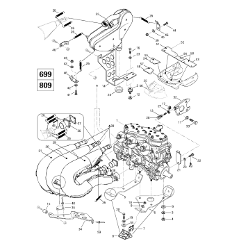
01- Engine Support And Muffler (699, 809)
02- Carburetors (699)
02- Carburetors (809)
02- Fuel System (699)
02- Fuel System (809)
02- Oil Tank And Support
03- Ignition Housing Oil Pump (699, 809)
03- Magneto 12V 220W (699, 809)
04- Rewind Starter (699, 809)
05- Chaincase
05- Drive Axle And Track
05- Drive Pulley
05- Driven Pulley
06- Hydraulic Brake And Belt Guard
07- Front Suspension And Ski
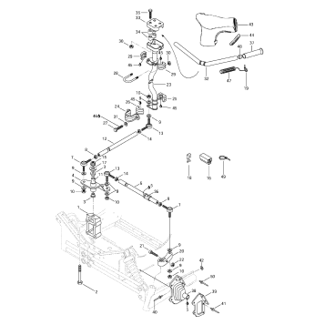
07- Steering System
08- Front Arm, Rear Suspension
08- Rear Arm, Rear Suspension
08- Rear Suspension
09- Cab, Console
09- Decals
09- Frame And Accessories
09- Seat And Accessories
10- Electrical System
Fuel Your Passion
Parts That Keep You Riding
Edit ride