LT-F4WDXS (1995)
AIR CLEANER
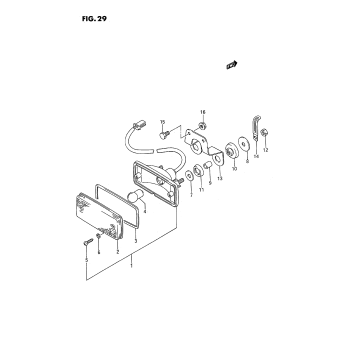
BACKUP LAMP (OPTIONAL)
BATTERY
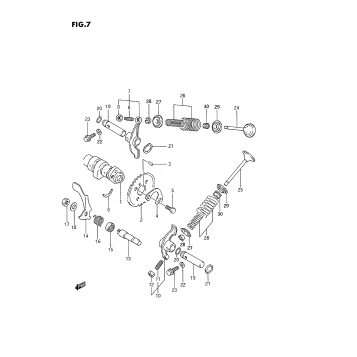
CAM CHAIN
CAM SHAFT - VALVE
CARBURETOR
CARRIER
CLUTCH
COOLING FAN (OPTIONAL)
CRANKCASE
CRANKCASE COVER
CRANKSHAFT
CYLINDER
CYLINDER HEAD
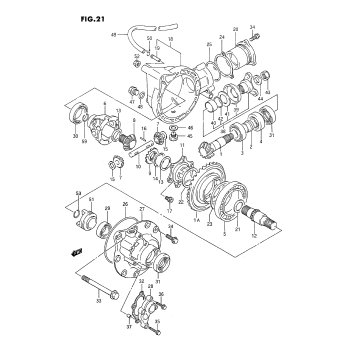
DIFFERENTIAL GEAR
DIFFERENTIAL LOCK
ELECTRICAL
FOOTREST
FRAME
FRONT BRAKE HOSE
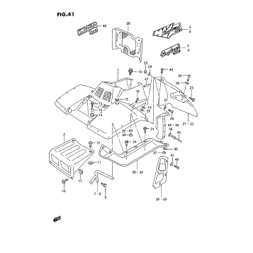
FRONT FENDER (MODEL M/N/P/R)
FRONT FENDER (MODEL S)
FRONT MASTER CYLINDER
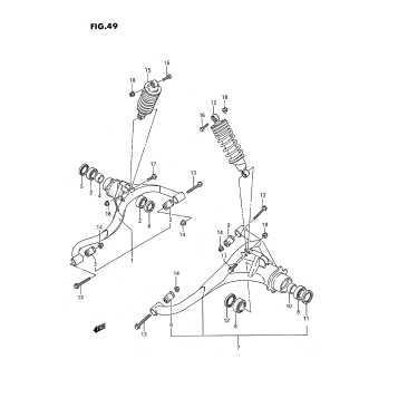
FRONT SUSPENSION ARM
FRONT WHEEL (MODEL M/N)
FRONT WHEEL (MODEL P/R/S)
FRONT WHEEL BRAKE (MODEL M/N/P)
FRONT WHEEL BRAKE (MODEL R/S)
FUEL TANK
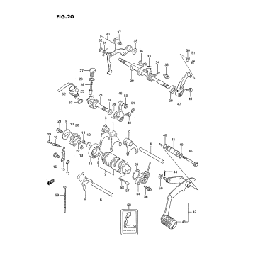
GEAR SHIFTING
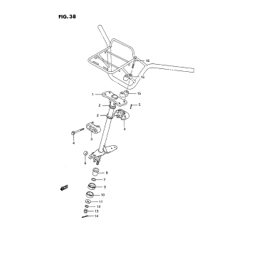
HANDLE SWITCH
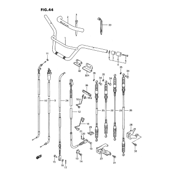
HANDLEBAR - CONTROL CABLE
HEADLAMP
KNUCKLE COVER (OPTIONAL)
MAGNETO
MUFFLER
OIL COOLER
OIL PUMP - FUEL PUMP
OPTIONAL
REAR BRAKE
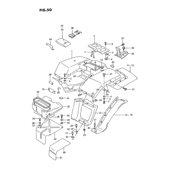
REAR FENDER
REAR SUSPENSION ARM
REAR WHEEL (MODEL M/N/P/R)
REAR WHEEL (MODEL S)
RECOIL STARTER
SEAT
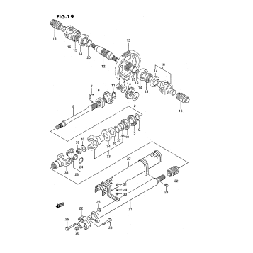
SECONDARY GEAR - PROPELLER SHAFT (MODEL M/N/P/R)
SECONDARY GEAR - PROPELLER SHAFT (MODEL S)
SPEEDOMETER
STARTER CLUTCH
STARTING MOTOR
STEERING SHAFT
TAIL LAMP
TIE ROD
TRANSMISSION (1)
TRANSMISSION (2)
TRANSMISSION LEVER
WARNING LABEL
WIRING HARNESS
Fuel Your Passion
Parts That Keep You Riding
Edit ride