LT-F4WDX (1997)
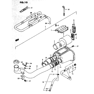
AIR CLEANER
MUFFLER
BACKUP LAMP (OPTIONAL)
BATTERY
CAM CHAIN
CAM SHAFT - VALVE
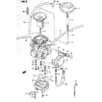
CARBURETOR
CARRIER
CLUTCH
COOLING FAN (OPTIONAL)
CRANKCASE
CRANKCASE COVER
CRANKSHAFT
CYLINDER
CYLINDER HEAD
DIFFERENTIAL GEAR
DIFFERENTIAL LOCK
ELECTRICIAL
FOOTREST
FRAME
FRONT BRAKE HOSE
FRONT FENDER
FRONT MASTER CYLINDER
FRONT WHEEL
FRONT WHEEL BRAKE
FUEL TANK
GEAR SHIFTING
HANDLE BAR - CABLE
HANDLE LEVER
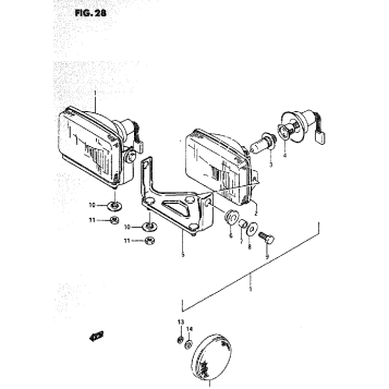
HEADLAMP
KNUCKLE ARM
KNUCKLE COVER (OPTIONAL)
LABLE
MAGNETO
OIL COOLER
OIL PUMP - FUEL PUMP
OPTIONAL
REAR BRAKE
REAR FENDER
REAR SUSPENSION ARM
REAR WHEEL
RECOIL STARTER
SEAT
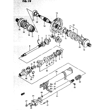
SECONDARY GEAR - PROPELLER SHAFT
SPEEDOMETER
STARTER CLUTCH
STARTING MOTOR
STEERING SHAFT
SUSPENSION ARM
TAIL LAMP
TRANSMISSION
TRANSMISSION (2)
WIRING HARNESS
Fuel Your Passion
Parts That Keep You Riding
Edit ride