- Partiron
- OEM Parts
- Suzuki
- All Terrain Vehicle
- 1997
- LT-F4WDX (1997)
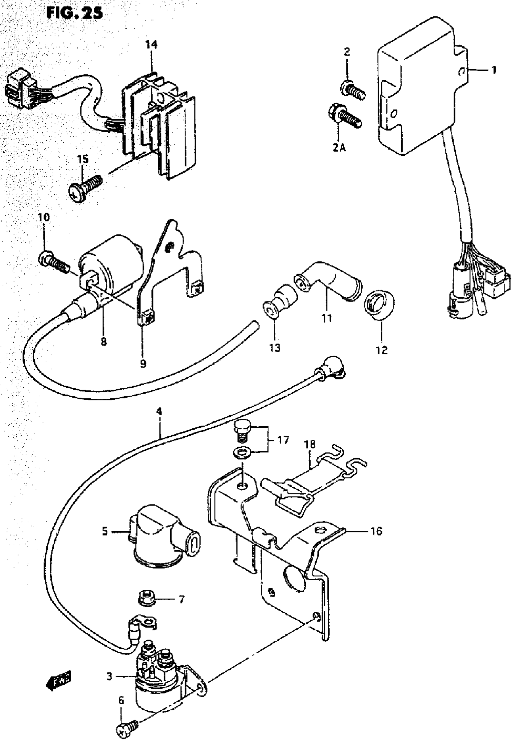
ELECTRICIAL
Suzuki LT-F4WDX (1997) ELECTRICIAL Diagram
#
Description
Price
9
BRACKET, IGNITION COIL
33416-19B00
Unavailable
18
BAND. TOOL
09462-00090
Unavailable
