- Partiron
- OEM Parts
- Suzuki
- All Terrain Vehicle
- 1997
- LT-F4WDX (1997)
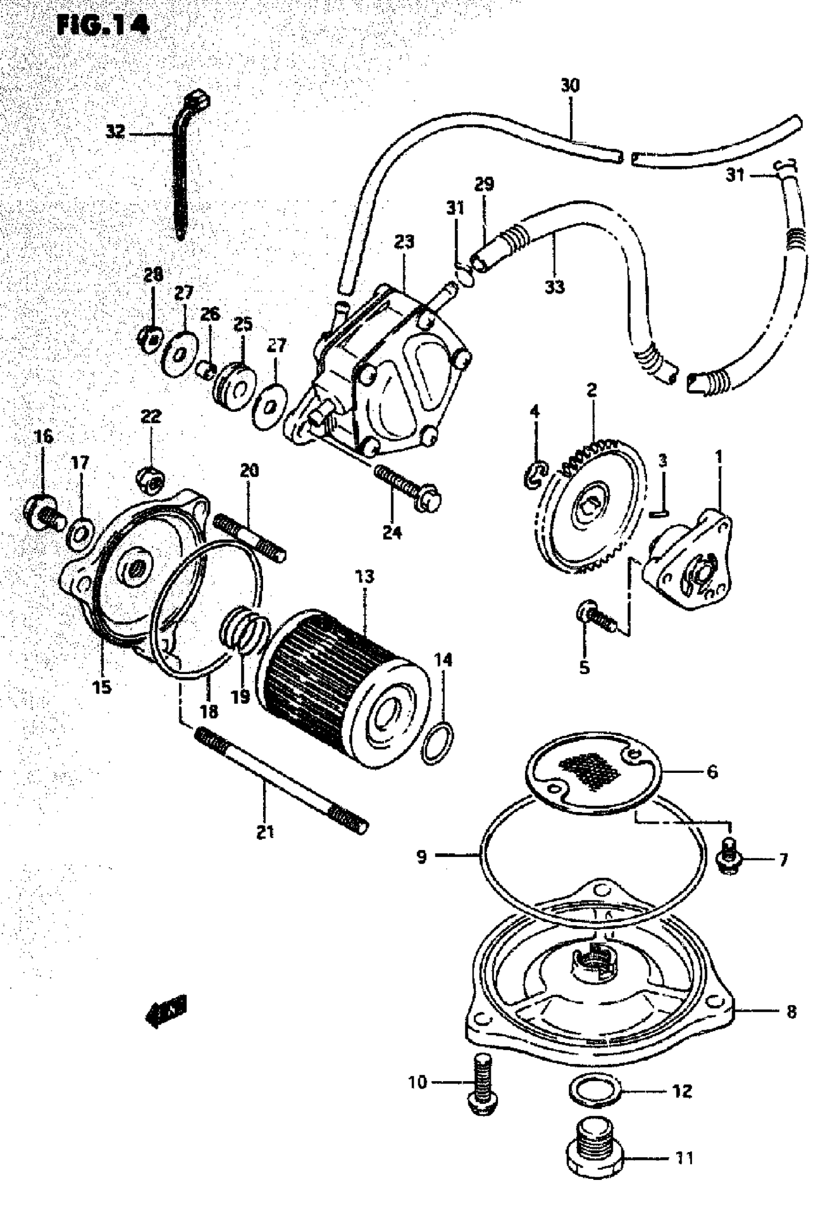
OIL PUMP - FUEL PUMP
Suzuki LT-F4WDX (1997) OIL PUMP - FUEL PUMP Diagram
#
Description
Price
30
HOSE(4X7X2000) | L:2000->730 This part replaces 09359-40701-00B.
09359-40703-00B
Unavailable
