GTX 4-TEC, 2003
01- Cooling System
01- Crankshaft, Pistons And Balance Shaft
01- Cylinder Head
01- Engine Block
01- Engine Support And Air Intake
01- Muffler
01- Oil Separator
02- Air Intake Manifold
02- Fuel System
03- PTO Cover And Magneto
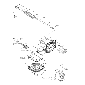
05- Propulsion System
05- Pump System
05- Reverse
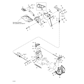
07- Off Power Assisted Steering
07- Steering System
09- Body, Front View
09- Body, Rear View
09- Decals
09- Front Cover
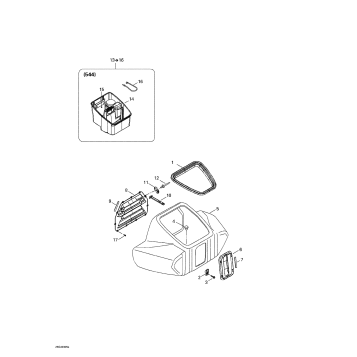
09- Front Storage Compartment
09- Hull
09- Seat
09- Ventilation
10- Electrical Accessories
10- Electrical Harness 1
10- Electrical Harness 2
10- Electrical System
10- Engine Harness
Fuel Your Passion
Parts That Keep You Riding
Edit ride