- Partiron
- OEM Parts
- Sea-doo
- Watercraft
- 2003
- GTX
- GTX 4-TEC Wake, 2003
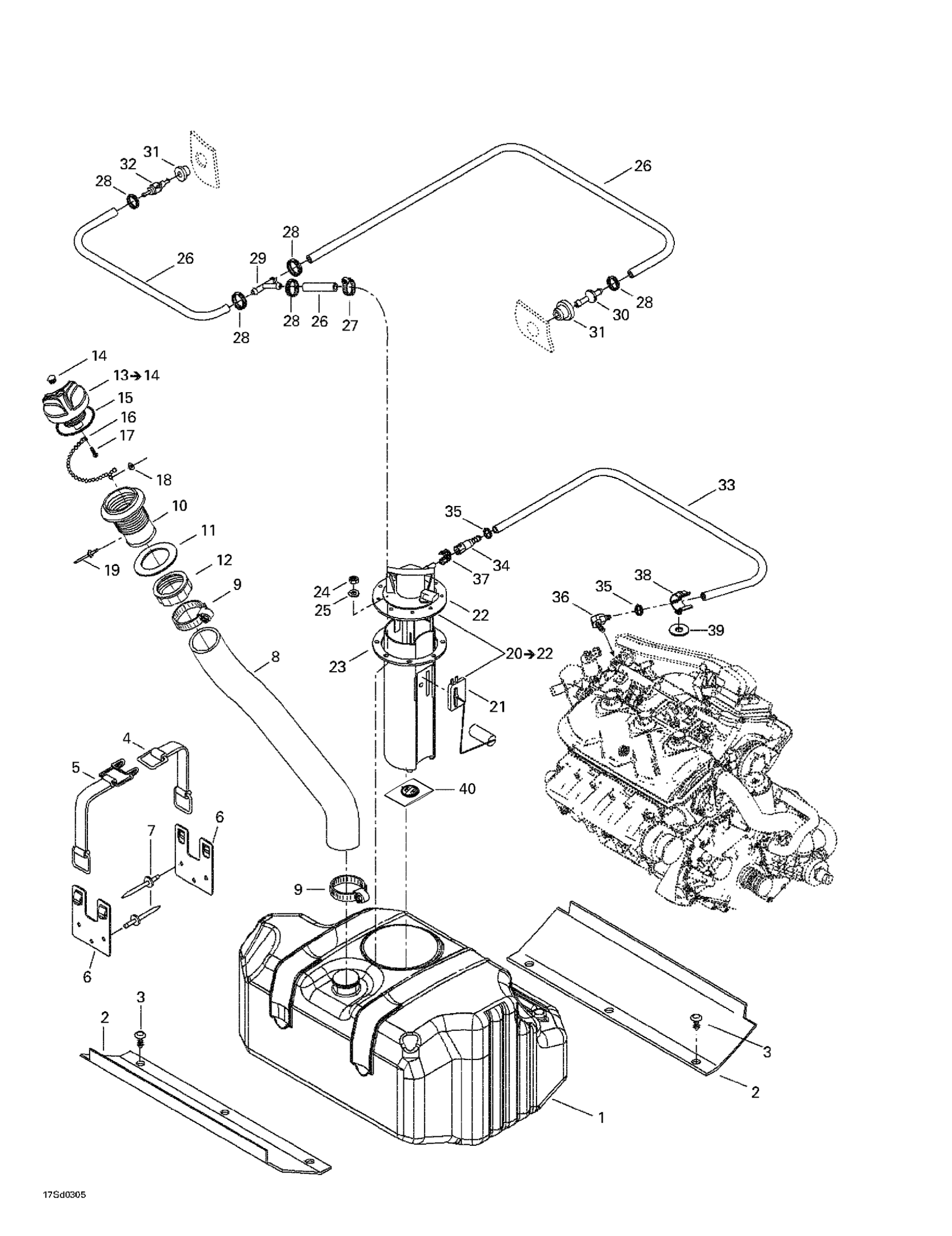
Fuel System
Sea-doo GTX 4-TEC Wake, 2003 Fuel System Diagram
#
Description
Price
1
Fuel Tank
275500480
Unavailable
2
RUBBER PAD - Call your local BRP dealership
293830094
Unavailable
6
STRAP CLIP - Call your local BRP dealership
293850066
Unavailable
8
Fuel Filler Neck Hose
275500580
Unavailable
15
GASKET - Call your local BRP dealership This part replaces 293250075.
293250211
Unavailable
20
FUEL PUMP MODULE ASS'Y - Call your local BRP dealership | Includes 47 to 49
270600087
Unavailable
21
SENSOR LEVER - Call your local BRP dealership
270600051
Unavailable
22
FUEL PUMP MODULE - Call your local BRP dealership
270600041
Unavailable
33
Hose 1/4”
275500563
Unavailable
34
CONNECTOR BOX - Call your local BRP dealership
275500428
Unavailable
36
Elbow Fitting 90°
293710099
Unavailable
37
STOPPER CONNECTOR - Call your local BRP dealership
275500429
Unavailable
38
Hose Retainer
275500528
Unavailable
39
RUBBER WASHER - Call your local BRP dealership
250200028
Unavailable
